OEM SMPM Hermeettisesti suljettu liitin Supplier

Ningbo Hanson Communication Technology Co., Ltd. Kotiin / Tuotteet / Hermeettisesti suljettu sarja / SMPM Hermeettisesti suljettu liitin

SMPM Hermeettisesti suljettu liitin

Kuvaus:

Sinetöity SMPM (SubMiniature Push-on Micro) -liitin on miniatyyri RF-liitin, jossa on täysi poisto-, puoliväli- ja valoreikä. Se on suunniteltu korkeataajuisiin, pieniin tiloihin ja kevyisiin sovelluksiin. Se on push-on-liitin, jota käytetään yleisesti viestintä- ja elektroniikkalaitteissa, jotka vaativat keveyttä, korkeaa luotettavuutta ja pientä kokoa. SMPM-liittimillä on korkea signaalinsiirtolaatu ja ne voivat tarjota hyvän sähköisen suorituskyvyn.

Tiedustella

Perusrakenne:
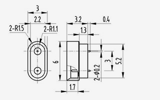
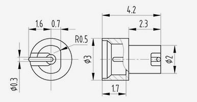
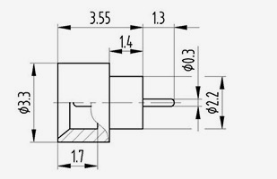
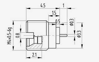
SMPM-J-tyyppinen ilmatiivis RF-koaksiaaliliitin koostuu kolmesta osasta: ulkojohdin, lasiväliaine ja sisäjohdin, perusrakenne on esitetty alla olevassa kuvassa:

Tärkeimmät tekniset parametrit:

Sähköiset ominaisuudet
Ominainen impedanssi 50Ω Taajuusalue DC ~ 40 GHz
Dielektrinen Kestävä jännite 500 Vrms Eristysvastus 2000 miljoonaa Ω
Jännite VSWR <1.4 Lisäyksen menetys ≤0,05 √f dB(GHz)
Materiaali- ja mekaaniset, ympäristöominaisuudet
Kotelo Lavable metalliseos / kullattu Pins Käytettävä metalliseos/kullattu
Eristysaine Lasi Liittimen kestävyys Täysi pako 100 kertaa
Vuotonopeus ≤1,01325 × 10 Pa ·m³/s optinen reikä 1000 kertaa
Käyttölämpötila -65 ℃ ~ 165 ℃

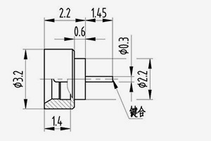
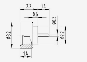
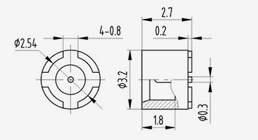
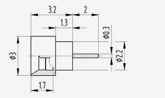
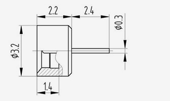
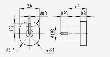
Käyttöliittymän koko:
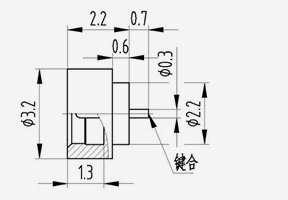
SMPM-J-tyyppisillä ilmatiivistetyillä RF-koaksiaaliliittimillä on kaksi liitäntämuotoa: täysi poisto ja paljas reikä. Mallin nimeämisessä F tarkoittaa täyttä pakoa ja
S tarkoittaa valoaukkoa. Liitäntämitat on jaettu vakiomittoihin ja lyhyisiin liitäntämittoihin, jotka molemmat ovat yhteensopivia SMPM-K-tyyppisten liittimien kanssa.
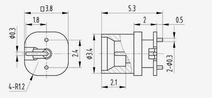
Normaali käyttöliittymän koko:

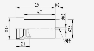
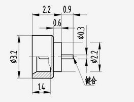
Lyhyen käyttöliittymän mitat:

SMPM SERIES
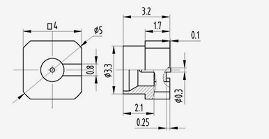
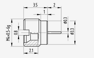
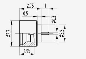
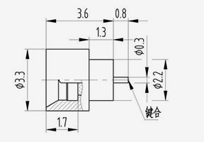
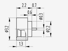
  • SMPM(M)-JYD3S
    SMPM(M)-JYD3S
    Malli Huomautuksia
    SMPM(M)-JYD3S Tasainen poraus
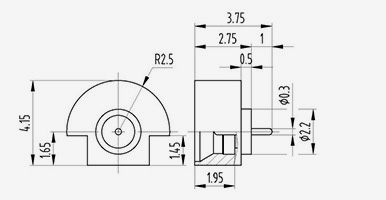
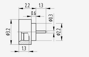
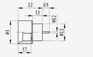
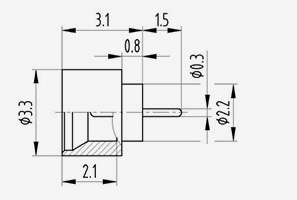
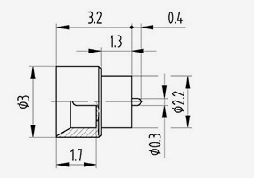
  • SMPM(M)-JYD5S
    SMPM(M)-JYD5S
    Malli Huomautuksia
    SMPM(M)-JYD5S Tasainen poraus
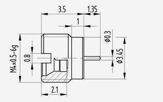
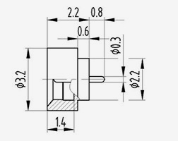
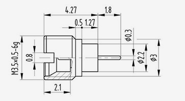
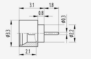
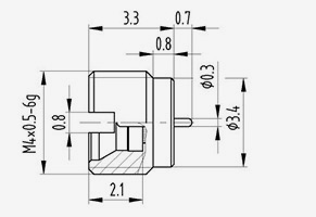
  • SMPM(M)-JYD8F
    SMPM(M)-JYD8F
    Malli Huomautuksia
    SMPM(M)-JYD8F Täysi pidätys
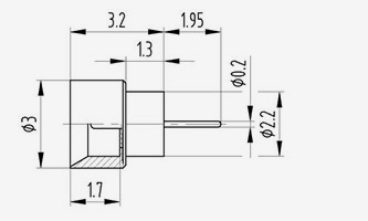
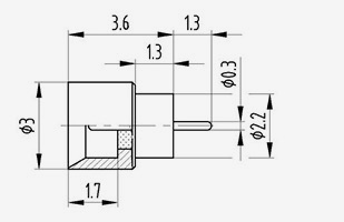
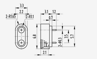
  • SMPM(M)-JYD10F
    SMPM(M)-JYD10F
    Malli Huomautuksia
    SMPM(M)-JYD10F Täysi pidätys
  • SMPM(M)-JYD12S
    SMPM(M)-JYD12S
    Malli Huomautuksia
    SMPM(M)-JYD12S Tasainen poraus
  • SMPM(M)-JYD13F
    SMPM(M)-JYD13F
    Malli Huomautuksia
    SMPM(M)-JYD13F Täysi pidätys
  • SMPM(M)-JYD14F
    SMPM(M)-JYD14F
    Malli Huomautuksia
    SMPM(M)-JYD14F Täysi pidätys
  • SMPM(M)-JYD15F
    SMPM(M)-JYD15F
    Malli Huomautuksia
    SMPM(M)-JYD15F Täysi pidätys
  • SMPM(M)-JYD16S
    SMPM(M)-JYD16S
    Malli Huomautuksia
    SMPM(M)-JYD16S Tasainen poraus
  • SMPM(M)-JYD17S
    SMPM(M)-JYD17S
    Malli Huomautuksia
    SMPM(M)-JYD17S Tasainen poraus
  • SMPM(M)-JYD18S
    SMPM(M)-JYD18S
    Malli Huomautuksia
    SMPM(M)-JYD18S Tasainen poraus
  • SMPM(M)-JYD19S
    SMPM(M)-JYD19S
    Malli Huomautuksia
    SMPM(M)-JYD19S Tasainen poraus
  • SMPM(M)-JYD20F
    SMPM(M)-JYD20F
    Malli Huomautuksia
    SMPM(M)-JYD20F Täysi pidätys
  • SMPM(M)-JYD21S
    SMPM(M)-JYD21S
    Malli Huomautuksia
    SMPM(M)-JYD21S Tasainen poraus
  • SMPM(M)-JYD22F
    SMPM(M)-JYD22F
    Malli Huomautuksia
    SMPM(M)-JYD22F Täysi pidätys
  • SMPM(M)-JYD23S
    SMPM(M)-JYD23S
    Malli Huomautuksia
    SMPM(M)-JYD23S Tasainen poraus
  • SMPM(M)-JYD24F
    SMPM(M)-JYD24F
    Malli Huomautuksia
    SMPM(M)-JYD24F Täysi pidätys
  • SMPM(M)-JYD25F
    SMPM(M)-JYD25F
    Malli Huomautuksia
    SMPM(M)-JYD25F Täysi pidätys
  • SMPM(M)-JYD26F
    SMPM(M)-JYD26F
    Malli Huomautuksia
    SMPM(M)-JYD26F Täysi pidätys
  • SMPM(M)-JYD27S
    SMPM(M)-JYD27S
    Malli Huomautuksia
    SMPM(M)-JYD27S Tasainen poraus
  • SMPM(M)-JYD28S
    SMPM(M)-JYD28S
    Malli Huomautuksia
    SMPM(M)-JYD28S Tasainen poraus
  • SMPM(M)-JYD29F
    SMPM(M)-JYD29F
    Malli Huomautuksia
    SMPM(M)-JYD29F Täysi pidätys
  • SMPM(M)-JYD30S
    SMPM(M)-JYD30S
    Malli Huomautuksia
    SMPM(M)-JYD30S Tasainen poraus
  • SMPM(M)-JYD31F
    SMPM(M)-JYD31F
    Malli Huomautuksia
    SMPM(M)-JYD31F Täysi pidätys
  • SMPM(M)-JYD32F
    SMPM(M)-JYD32F
    Malli Huomautuksia
    SMPM(M)-JYD32F Täysi pidätys
  • SMPM(M)-JYD33S
    SMPM(M)-JYD33S
    Malli Huomautuksia
    SMPM(M)-JYD33S Tasainen poraus
  • SMPM(M)-JYD34S
    SMPM(M)-JYD34S
    Malli Huomautuksia
    SMPM(M)-JYD34S Tasainen poraus
  • SMPM(M)-JYD35S
    SMPM(M)-JYD35S
    Malli Huomautuksia
    SMPM(M)-JYD35S Tasainen poraus
  • SMPM(M)-JYD36S
    SMPM(M)-JYD36S
    Malli Huomautuksia
    SMPM(M)-JYD36S Tasainen poraus
  • SMPM(M)-JYD37S
    SMPM(M)-JYD37S
    Malli Huomautuksia
    SMPM(M)-JYD37S Tasainen poraus
  • SMPM(M)-JYD38S
    SMPM(M)-JYD38S
    Malli Huomautuksia
    SMPM(M)-JYD38S Tasainen poraus
  • SMPM(M)-JYD39S
    SMPM(M)-JYD39S
    Malli Huomautuksia
    SMPM(M)-JYD39S Tasainen poraus
  • SMPM(M)-JYD41S
    SMPM(M)-JYD41S
    Malli Huomautuksia
    SMPM(M)-JYD41S Tasainen poraus
  • SMPM(M)-JYD42S
    SMPM(M)-JYD42S
    Malli Huomautuksia
    SMPM(M)-JYD42S Tasainen poraus
  • SMPM(M)-JYD43F
    SMPM(M)-JYD43F
    Malli Huomautuksia
    SMPM(M)-JYD43F Täysi pidätys
  • SMPM(M)-JYD44F
    SMPM(M)-JYD44F
    Malli Huomautuksia
    SMPM(M)-JYD44F Täysi pidätys
  • SMPM(M)-JYD45S
    SMPM(M)-JYD45S
    Malli Huomautuksia
    SMPM(M)-JYD45S Tasainen poraus
  • SMPM(M)-JYD46S
    SMPM(M)-JYD46S
    Malli Huomautuksia
    SMPM(M)-JYD46S Tasainen poraus
  • SMPM(M)-JYD60F
    SMPM(M)-JYD60F
    Malli Huomautuksia
    SMPM(M)-JYD60F Täysi pidätys
  • SMPM(M)-JYD61F
    SMPM(M)-JYD61F
    Malli Huomautuksia
    SMPM(M)-JYD61F Täysi pidätys
  • SMPM(M)-JYD62F
    SMPM(M)-JYD62F
    Malli Huomautuksia
    SMPM(M)-JYD62F Täysi pidätys
  • SMPM(M)-JYD63S
    SMPM(M)-JYD63S
    Malli Huomautuksia
    SMPM(M)-JYD63S Tasainen poraus
  • SMPM(M)-JYD64S
    SMPM(M)-JYD64S
    Malli Huomautuksia
    SMPM(M)-JYD64S Tasainen poraus
  • SMPM(M)-JYD65S
    SMPM(M)-JYD65S
    Malli Huomautuksia
    SMPM(M)-JYD65S Tasainen poraus
  • SMPM(M)-JYD66S
    SMPM(M)-JYD66S
    Malli Huomautuksia
    SMPM(M)-JYD66S Tasainen poraus
  • SMPM(M)-JHD1S
    SMPM(M)-JHD1S
    Malli Huomautuksia
    SMPM(M)-JHD1S Tasainen poraus
  • SMPM(M)-JHD2F
    SMPM(M)-JHD2F
    Malli Huomautuksia
    SMPM(M)-JHD2F Täysi pidätys
  • SMPM(M)-JHD3F
    SMPM(M)-JHD3F
    Malli Huomautuksia
    SMPM(M)-JHD3F Täysi pidätys
  • SMPM(M)-JHD4F
    SMPM(M)-JHD4F
    Malli Huomautuksia
    SMPM(M)-JHD4F Täysi pidätys
  • SMPM(M)-JHD6F
    SMPM(M)-JHD6F
    Malli Huomautuksia
    SMPM(M)-JHD6F Täysi pidätys
  • SMPM(M)-JHD21F
    SMPM(M)-JHD21F
    Malli Huomautuksia
    SMPM(M)-JHD21F Täysi pidätys
  • SMPM(M)-JFD1S
    SMPM(M)-JFD1S
    Malli Huomautuksia
    SMPM(M)-JFD1S Tasainen poraus
  • SMPM(M)-JWSD1S
    SMPM(M)-JWSD1S
    Malli Huomautuksia
    SMPM(M)-JWSD1S Tasainen poraus
  • SMPM(M)-JWSD8
    SMPM(M)-JWSD8
    Malli Huomautuksia
    SMPM(M)-JWSD8
  • SMPM(M)-JWSD9S
    SMPM(M)-JWSD9S
    Malli Huomautuksia
    SMPM(M)-JWSD9S Tasainen poraus
  • SMPM(M)-JWSD10S
    SMPM(M)-JWSD10S
    Malli Huomautuksia
    SMPM(M)-JWSD10S Tasainen poraus
  • SMPM(M)-JSD1S
    SMPM(M)-JSD1S
    Malli Huomautuksia
    SMPM(M)-JSD1S Tasainen poraus

PIDÄ YHTEYTTÄ

LÄHETÄ
Tietoja meistä
Ningbo Hanson Communication Technology Co., Ltd.
Ningbo Hanson Communication Technology Co., Ltd.
Ningbo Hanson Communication Technology Co., Ltd. is China SMPM Hermeettisesti suljettu liitin Supplier and Custom SMPM Hermeettisesti suljettu liitin Company. We are a manufacturer specializing in the production, processing, and trade of communication components, with more than 30 years of experience in RF coaxial connectors, adapters, and cable assemblies. Yritys on nyt kehittänyt oman koneistuspajan, galvanointipajan, kokoonpanotyöpajan sekä joukon vakaita ja luotettavia toimittajia. Yrityksen tarkoituksena on tarjota asiakkaille korkealaatuisia tuotteita. Päätuotteet ovat RF-koaksiaaliliittimiä, sovittimia, suurtaajuisia kaapelikokoonpanoja ja matalan keskinäismodulaation kaapelikokoonpanoja. Lisäksi yritys voi tarjota palveluita asiakkaille, joilla on räätälöityjä tarpeita vastaamaan asiakkaiden erityisvaatimuksia tuotteille. Yrityksen tuotteita käytetään laajasti ilmailu-, viestintätukiasemissa, lääketieteellisissä laitteissa ja muilla korkean teknologian aloilla. Yritysuudistuksen, innovaation, kehityksen ja kasvun aikana yhtiö teki aloitteen liittyä kansainväliseen ISO9001 laatujärjestelmään ja paransi jatkuvasti johtamistasoa tarjotakseen tyydyttävämpiä tuotteita ja palveluita uusille ja vanhoille asiakkaille.
Viimeisimmät uutiset
Etsitkö liiketoimintamahdollisuutta?

Pyydä soitto tänään