OEM TNC liitin Supplier

TNC liitin

Kuvaus:

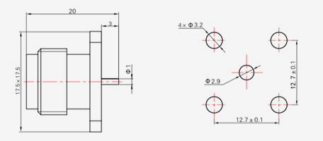
TNC-sarjan RF-koaksiaaliliittimet on kehitetty ja valmistettu Yhdysvaltain sotilasstandardin MIL-C-39012 mukaisesti. Niillä on laaja kaistanleveys, luotettava yhteys ja hyvä iskunkesto. Ne sopivat liittimiin ja RF-kaapeleihin radiolaitteiden, elektronisten instrumenttien, eri laserkomponenttien signaalin sisään- ja ulostuloon.

Parametri:

Tärkeimmät tekniset tiedot:
◆ Ominainen impedanssi: 50Ω
◆ Taajuusalue: DC-18GHz
◆ Eristysvastus: ≥5000MΩ
◆ Dielektrinen kestojännite: 1500 V (rms)
◆ Jännitteen seisova aaltosuhde (VSWR): ≤1,30
◆ Parittelujaksot: 500 kertaa

Tiedustella

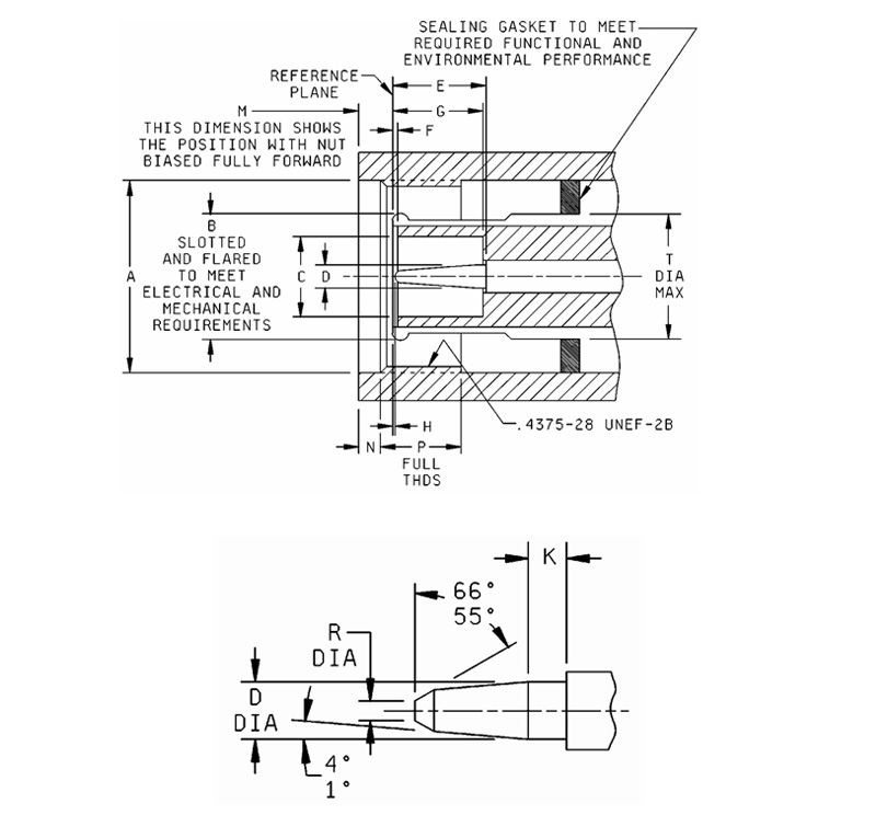
Himmeä
Ltr
millimetriä (tuumaa)
Minimi Maksimi
A 0,378 (9,60) 0,381 (9,68)
B 0,346 (8,79) .356 (9.04)
C .327 (8.31) .333 (8.46)
D .319 (8.10) .321 (8.15)
E ------- .186 (4,72)
F 0,068 (1,73) 0,088 (2,24)
G .327 (8.31) 0,335 (8,51)
H 0,187 (4,75) -------
J .186 (4,72) .206 (5.23)
K ------- 0,006 (0,15)
L 0,195 (4,95) -------
M .081 (2.06) 0,087 (2,21)
N ------- 0,256 (6,50)
P 0,188 (4,78) .208 (5.28)
R .414 (10.52) -------
T 0,015 (0,38) 0,030 (0,76)

Huomautuksia:
1. Tämän liitännän on täytettävä kohdassa määritellyt ulottumavaatimukset
MIL-PRF-39012/28.
2. Välys liitäntäliittimen kytkinmutteria varten.
3. Mitta koskee eristeen tätä osaa (jos sovellettavissa).
joka työntyy metallin ulkopuolelle
olkapää (tai vertailutaso) mitan K mukaan.
4. ID, joka täyttää VSwR:n, kun se on yhdistetty halkaisijaltaan 0,052 tuuman (1,32 mm)/0,054 (1,37 mm) tapilla.

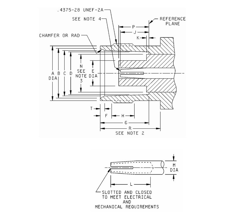
Himmeä
Ltr
millimetriä (tuumaa)
Minimi Maksimi
A .440 (11.18) -------
B Mittaritesti
C 0,190 (4,83) -------
D 0,052 (1,32) 0,054 (1,37)
E 0,210 (5,33) 0,230 (5,84)
F 0,006 (0,15) -------
G .208 (5.28) 0,228 (5,79)
H 0,003 (0,08) 0,040 (1,02)
K 0,078 (1,98) -------
M ------- 0,078 (1,98)
N 0,063 (1,60) -------
P 0,156 (3,96) -------
R ------- 0,025 (0,64)
T ------- .322 (8.18)

Huomautuksia:
1. Tämän liitännän on täytettävä kohdassa määritellyt ulottumavaatimukset MIL-PRF-39012/26.

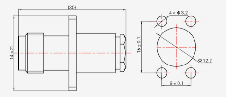
TNC SERIES
  • TNC-KF3A
    TNC-KF3A
    Malli Kaapelin tyyppi
    TNC-KF3A SYV-50-2-1,RG316
    TNC-KF5A SYV-50-3,RG142,SFCJ-50-3-51
  • TNC-KF3A-1
    TNC-KF3A-1
    Malli Kaapelin tyyppi
    TNC-KF3A-1 SYV-50-2-1,RG316
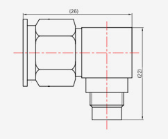
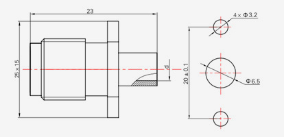
  • TNC-JB2
    TNC-JB2
    Malli Kaapelin tyyppi d
    TNC-JB2 SFT-50-2,670-086 Φ2.2
    TNC-JB3 SFT-50-3,670-141 Φ3.6
  • TNC-JWB2
    TNC-JWB2
    Malli Kaapelin tyyppi d
    TNC-JWB2 SFT-50-2,670-086 Φ2.2
    TNC-JWB3 SFT-50-3,670-141 Φ3.6
  • TNC-KB2
    TNC-KB2
    Malli Kaapelin tyyppi d
    TNC-KB2 SFT-50-2,670-086 Φ2.2
    TNC-KB3 SFT-50-3,670-141 Φ3.6
  • TNC-KFB2
    TNC-KFB2
    Malli Kaapelin tyyppi d
    TNC-KFB2 SFT-50-2,670-086 Φ2.2
    TNC-KFB3 SFT-50-3,670-141 Φ3.6
  • TNC-KFB2-1
    TNC-KFB2-1
    Malli Kaapelin tyyppi d
    TNC-KFB2-1 SFT-50-2,670-086 Φ2.2
    TNC-KFB3-1 SFT-50-3,670-141 Φ3.6
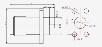
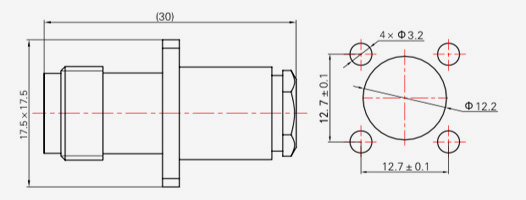
  • TNC-KFD2
    TNC-KFD2
    Malli L L1
    KFD2 27 3.5
    KFD3 22 2
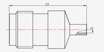
  • TNC-J3A
    TNC-J3A
    Malli Kaapelin tyyppi
    TNC-J3A SYV-50-2-1,RG316
    TNC-J5A SYV-50-3-4,RG142, SFCJ-50-3-51
    TNC-J5AC
  • TNC-J4
    TNC-J4
    Malli Kaapelin tyyppi L
    TNC-J4 SYV-50-2-2 31
    TNC-J5 SYV-50-3-4, SFCJ-50-3-51,RG316 31
    TNC-(K)5
    TNC-J5C
    TNC-J7 SYV-50-5-1, SFCJ-50-5-51 36
    TNC-J7C
    TNC-J10 SYV-50-7-1,SYV-50-7-2, SFCJ-50-7-51 36
    TNC-J10C
  • TNC-JW5
    TNC-JW5
    Malli Kaapelin tyyppi
    TNC-JW5 SYV-50-3-4,SFCJ-50-3-51,RG142
    TNC-JW7 SYV-50-5-1,SFCJ-50-5-51
    TNC-JW10 SYV-50-7-2,SFCJ-50-7-51
  • TNC-JW5-1
    TNC-JW5-1
    Malli Kaapelin tyyppi
    TNC-JW5-1 SYV-50-3-4,SFCJ-50-3-51,RG142
  • TNC-K5
    TNC-K5
    Malli Kaapelin tyyppi L
    TNC-K5 SYV-50-3-4, SFCJ-50-3-51, RG142 31
    TNC-(J)5
    TNC-K7 SYV-50-5-1, SFCJ-50-5-51 33
    TNC-K10 SYV-50-7-1, SYV-50-7-2, SFCJ-50-7-51 33
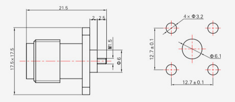
  • TNC-KFD1
    TNC-KFD1
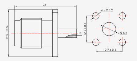
  • TNC-KFD4
    TNC-KFD4

PIDÄ YHTEYTTÄ

LÄHETÄ
Tietoja meistä
Ningbo Hanson Communication Technology Co., Ltd.
Ningbo Hanson Communication Technology Co., Ltd.
Ningbo Hanson Communication Technology Co., Ltd. is China TNC liitin Supplier and Custom TNC liitin Company. We are a manufacturer specializing in the production, processing, and trade of communication components, with more than 30 years of experience in RF coaxial connectors, adapters, and cable assemblies. Yritys on nyt kehittänyt oman koneistuspajan, galvanointipajan, kokoonpanotyöpajan sekä joukon vakaita ja luotettavia toimittajia. Yrityksen tarkoituksena on tarjota asiakkaille korkealaatuisia tuotteita. Päätuotteet ovat RF-koaksiaaliliittimiä, sovittimia, suurtaajuisia kaapelikokoonpanoja ja matalan keskinäismodulaation kaapelikokoonpanoja. Lisäksi yritys voi tarjota palveluita asiakkaille, joilla on räätälöityjä tarpeita vastaamaan asiakkaiden erityisvaatimuksia tuotteille. Yrityksen tuotteita käytetään laajasti ilmailu-, viestintätukiasemissa, lääketieteellisissä laitteissa ja muilla korkean teknologian aloilla. Yritysuudistuksen, innovaation, kehityksen ja kasvun aikana yhtiö teki aloitteen liittyä kansainväliseen ISO9001 laatujärjestelmään ja paransi jatkuvasti johtamistasoa tarjotakseen tyydyttävämpiä tuotteita ja palveluita uusille ja vanhoille asiakkaille.
Viimeisimmät uutiset
Etsitkö liiketoimintamahdollisuutta?

Pyydä soitto tänään