OEM N type RF Coaxial Connector Supplier

Ningbo Hanson Communication Technology Co., Ltd. Kotiin / Tuotteet / RF koaksiaaliliitin / N-tyypin RF-koaksiaaliliitin

N-tyypin RF-koaksiaaliliitin

Kuvaus:

N-tyypin RF-koaksiaaliliitin on RF-koaksiaaliliitin, jossa on kierreliitäntämekanismi, joka on kehitetty ja valmistettu Yhdysvaltain sotilasstandardin MIL-C-39012 mukaisesti. Sillä on laaja kaistanleveys, hyvä iskunkestävyys, korkea luotettavuus ja erinomainen suorituskyky, ja sitä käytetään laajalti mikroaaltoviestinnässä ja mittausjärjestelmissä. Tehtaamme valmistaman N-tyypin RF-koaksiaaliliittimen ominaisimpedanssi on jaettu kahteen tyyppiin: 50Ω ja 75Ω.

Parametri:

Tärkeimmät tekniset tiedot:
◆ Ominainen impedanssi: 50Ω/75Ω
◆ Taajuusalue: DC-18GHz (50Ω)/DC-3GHz (75Ω)
◆ Eristysvastus: ≥5000MΩ
◆ Dielektrinen kestojännite: 1500 V (rms)
◆ Jännitteen seisova aaltosuhde (VSWR): ≤1,30
◆ Parittelujaksot: 500 kertaa

Tiedustella

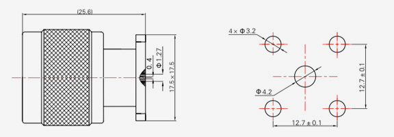
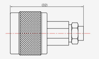
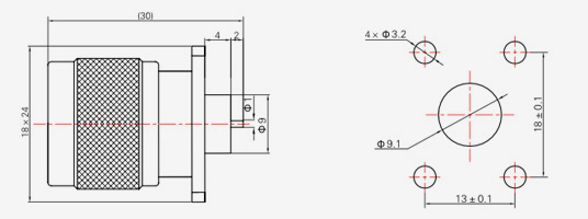
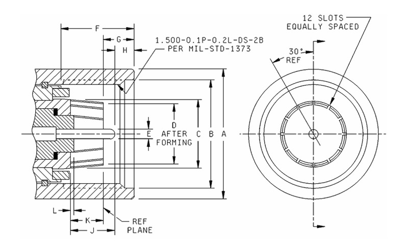
Himmeä
Ltr
tuumaa (mm)
Min. Max.
A .336 (8.53) .344 (8.74)
B .316 (8.03) .320 (8.13)
C .356 (9.04) .362 (9.19)
D 0,187 (4,75) .207 (5.26)
E ------- 0,627 (15,93)
F .119 (3.02) .124 (3.15)
G .422 (10.72) -------
H .172 (4.37) 0,220 (5,59)
J 0,047 (1,19) 0,077 (1,96)
K 0,047 (1,19) 0,077 (1,96)
L 0,187 (4,75) .207 (5.26)
N 0,210 (5,33) -------

Huomautuksia:
1. Tämän liitännän on täytettävä kohdassa määritellyt ulottumavaatimukset
MIL-PRF-39o12/2.
2. Välys liitäntäliittimen kytkinmutteria varten.
3. Täyttää VSwR, paritteluominaisuudet, kosketusresistanssi ja
liittimen kestävyys yhdistettynä halkaisijaltaan a.063/.066 tapilla.

Himmeä
Ltr
tuumaa (mm)
Min. Max.
A 1,740 (44,20) 1,760 (44,70)
B 1,537 (39,04) 1,543 (39,19)
C 1,060 (26,92) 1,064 (27,03)
D .964 (24.49) 0,974 (24,74)
E .194 (4.93) 0,196 (4,98)
F .836 (21.23) .856 (21.74)
G 0,372 (9,45) 0,392 (9,96)
H 0,271 (6,88) 0,291 (7,39)
J 551 (14.00) 0,571 (14,50)
K 0,370 (9,40) 0,380 (9,65)
L 0,001 (0,03) 0,013 (0,33)

Huomautuksia:
1. Tämän liitännän on täytettävä kohdassa määritellyt ulottumavaatimukset MIL-PRF-39012/44.

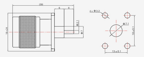
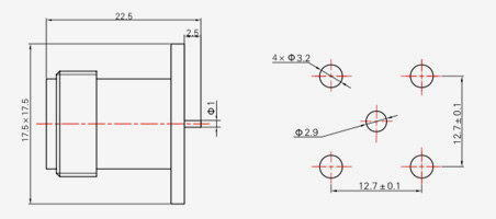
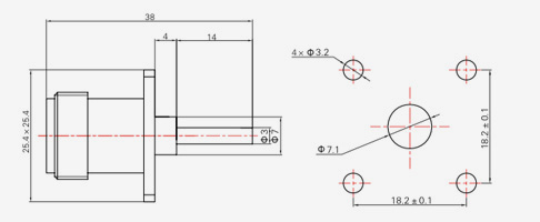
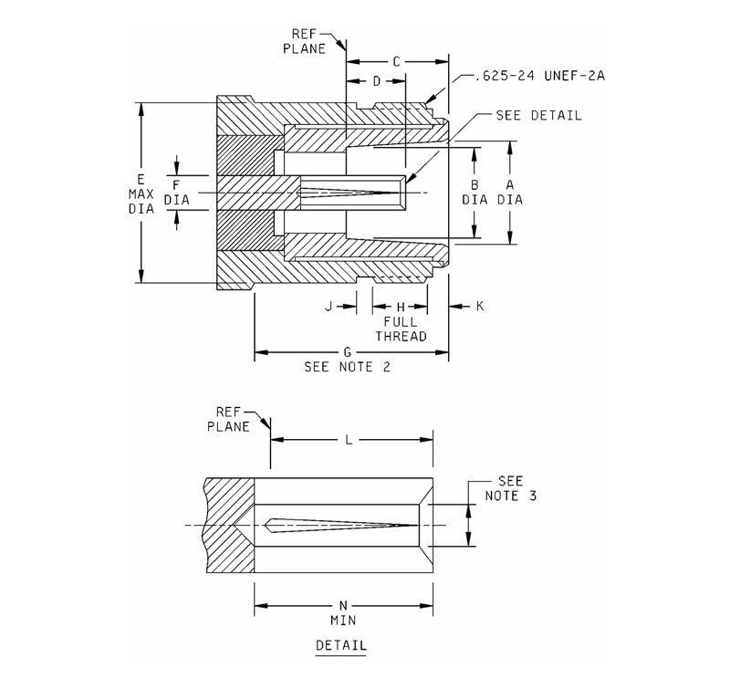
Himmeä
Ltr
tuumaa (mm)
Min. Max.
A 1,404 (35,66) 1,408 (35,76)
B 1,100 (27,94) 1,120 (28,45)
C 1,998 (50,75) 1,002 (25,45)
D 936 (23,77) 0,940 (23,88)
E .191 (4,85) 0,195 (4,95)
F .763 (19.38) .783 (19.89)
G 0,465 (11,81) .485 (12.32)
H .062 (1.57) Viite
J .302 (7,67) .322 (8.18)
K .302 (7,67) .322 (8.18)
L 0,001 (0,03) 0,013 (0,33)
M 0,490 (12,45) 0,510 (12,95)
N .240 (6.10) ,260 (6,60)
P 0,187 (4,75) 0,189 (4,80)
R 0,014 (0,36) 0,018 (0,46)

Huomautuksia:
1. Tämän liitännän on täytettävä kohdassa määritellyt ulottumavaatimukset MIL-PRF-39012/45.

N SERIES
  • N-JB2
    N-JB2
    Malli Kaapelin tyyppi d
    N-JB2 SFT-50-2,670-086 Φ2.2
    N-JB3 SFT-50-3,670-141 Ф3,6 $ $
  • N-KB3
    N-KB3
    Malli Kaapelin tyyppi
    N-KB3 SFT-50-3 670-141 $ $
  • N-KFB3
    N-KFB3
    Malli Kaapelin tyyppi
    N-KFB3 SFT-50-3 670-141 $ $
  • N-KYB3
    N-KYB3
    Malli Kaapelin tyyppi
    N-KYB3 SFT-50-3 670-141 $ $
  • N-J3
    N-J3
    Malli Kaapelin tyyppi
    N-J3 SYV-50-2-1,RG316
    N-J4 SYV-50-2-2
  • N-J5
    N-J5
    Malli Kaapelin tyyppi L
    N-J5 SYV-50-3,RG142, SFCJ-50-3-51 33
    N-J5C SYV-50-3,RG142, SFCJ-50-3-51 33
    N-J7 SYV-50-5-1, SFCJ-50-5-51 36
    N-J10 SYV-50-7-1, SYV-50-7-2, SFCJ-50-7-51 36
  • N-J5.3
    N-J5.3
    Malli Kaapelin tyyppi
    N-J5.3 32055,205,GNB415
  • N-J311
    N-J311
    Malli Kaapelin tyyppi
    N-J311 FFB311A
  • N-J10-1
    N-J10-1
    Malli Kaapelin tyyppi
    N-J10-1 SFCJ-50-7-51
  • N-JW5
    N-JW5
    Malli Kaapelin tyyppi
    N-JW5 SFCJ-50-3-51,SYV-50-3-4,RG142
    N-JW7 SFCJ-50-5-51,SYV-50-5-1
    N-JW10 SFCJ-50-7-51,SYV-50-7-2
  • N-JW8A
    N-JW8A
    Malli Kaapelin tyyppi
    N-JW8A FFB311A,SYV-50-5
    N-JW12A SYV-75-3
    N-JW13A SYV-75-5
  • N-K3
    N-K3
    Malli Kaapelin tyyppi
    N-K3 SYV-50-2-1,RG316
  • N-K5
    N-K5
    Malli Kaapelin tyyppi L
    N-K5 SYV-50-3,RG142, SFCJ-50-3-51 36
    N-K7 SYV-50-5-1,SFCJ-50-5-51 38
    N-K10 SYV-50-7-1,SFCJ-50-7-51 38
  • N-KF5
    N-KF5
    Malli Kaapelin tyyppi L
    N-KF5 SYV-50-3,RG142,SFCJ-50-3-51 36
    N-KF7 SYV-50-5-1,SFCJ-50-5-51 38
    N-KF10 SYV-50-7-1,SFCJ-50-7-51 38
  • N-KF3A
    N-KF3A
    Malli Kaapelin tyyppi L
    N-KF3A SYV-50-2-1,RG316 33
    N-KF5A SYV-50-3-4,RG142 42
  • N-KY3Y
    N-KY3Y
    Malli Kaapelin tyyppi
    N-KY3Y SYV-50-2-1,RG316
  • N-KFD
    N-KFD
    Malli L L1 L2
    KFD 26 4 2
    KFD2 31 6 5
    KFD15 30 6 4
    KFD16 28.5 6 2.5
    KFD17 28 6 2
    KFD18 29 5 4
    KFD19 29 4 5
    KFD20 33 4 9
  • N-KF
    N-KF
  • N-JFD1
    N-JFD1
  • N-JFD2
    N-JFD2
  • N-JFD3
    N-JFD3
  • N-JFD23
    N-JFD23
  • N-KFD1
    N-KFD1
  • N-KFD7
    N-KFD7
  • N-KFD11
    N-KFD11
  • N-KFD50
    N-KFD50
  • N-KFD-Z
    N-KFD-Z
  • N-KFD9
    N-KFD9
  • N-KFD14
    N-KFD14

PIDÄ YHTEYTTÄ

LÄHETÄ
Tietoja meistä
Ningbo Hanson Communication Technology Co., Ltd.
Ningbo Hanson Communication Technology Co., Ltd.
Ningbo Hanson Communication Technology Co., Ltd. is China N type RF Coaxial Connector Supplier and Custom N type RF Coaxial Connector Company. We are a manufacturer specializing in the production, processing, and trade of communication components, with more than 30 years of experience in RF coaxial connectors, adapters, and cable assemblies. Yritys on nyt kehittänyt oman koneistuspajan, galvanointipajan, kokoonpanotyöpajan sekä joukon vakaita ja luotettavia toimittajia. Yrityksen tarkoituksena on tarjota asiakkaille korkealaatuisia tuotteita. Päätuotteet ovat RF-koaksiaaliliittimiä, sovittimia, suurtaajuisia kaapelikokoonpanoja ja matalan keskinäismodulaation kaapelikokoonpanoja. Lisäksi yritys voi tarjota palveluita asiakkaille, joilla on räätälöityjä tarpeita vastaamaan asiakkaiden erityisvaatimuksia tuotteille. Yrityksen tuotteita käytetään laajasti ilmailu-, viestintätukiasemissa, lääketieteellisissä laitteissa ja muilla korkean teknologian aloilla. Yritysuudistuksen, innovaation, kehityksen ja kasvun aikana yhtiö teki aloitteen liittyä kansainväliseen ISO9001 laatujärjestelmään ja paransi jatkuvasti johtamistasoa tarjotakseen tyydyttävämpiä tuotteita ja palveluita uusille ja vanhoille asiakkaille.
Viimeisimmät uutiset
Etsitkö liiketoimintamahdollisuutta?

Pyydä soitto tänään