OEM SMA RF Coaxial Connector Supplier

SMA-liitin

Kuvaus:

SMA RF-koaksiaaliliitin on RF-koaksiaaliliitin, jossa on kierreliitäntämekanismi, joka on kehitetty ja valmistettu Yhdysvaltain armeijastandardin MIL-C-39012 mukaisesti. Sen etuna on pieni koko, laaja kaistanleveys, erinomainen mekaaninen ja sähköinen suorituskyky sekä korkea luotettavuus. Se on yksi yleisimmin käytetyistä RF-liittimistä. Sitä käytetään laajasti mikroaaltoviestinnässä, ilmailussa, asejärjestelmissä, mikroaaltouunimittauslaitteissa ja muilla aloilla.

Parametri:

Tärkeimmät tekniset tiedot:
◆ Ominainen impedanssi: 50Ω
◆ Taajuusalue: DC–26,5 GHz
◆ Eristysvastus: ≥5000MΩ
◆ Dielektrinen kestojännite: 1000 V (rms)
◆ Jännitteen seisova aaltosuhde (VSWR): ≤1,25
◆ Parittelujaksot: 500 kertaa

Tiedustella
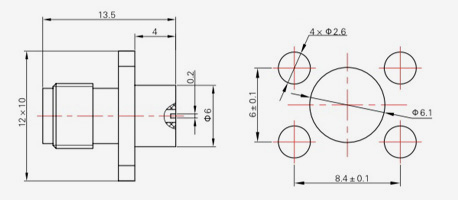
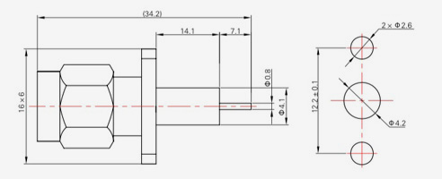
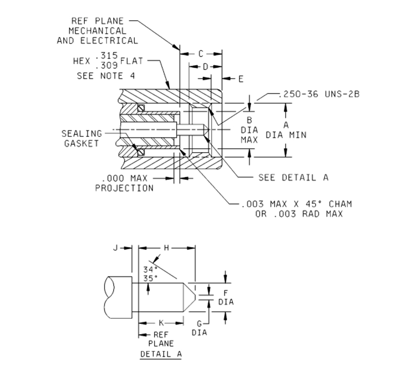
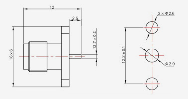
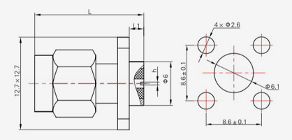
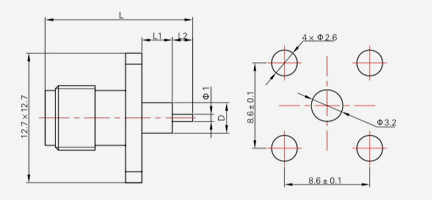
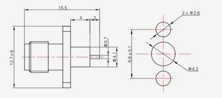
  • SMA-uros / pistokeliittimen liitännän mitat

Himmeä.
Ltr.
tuumaa (mm)
Min. Max.
A .255(6.48) ------
B ------ .1808(4.59)
C ------ .135(3.43)
D .130(3.30) ------
E .015(0.38) .045(1.14)
F .0355(0.90) .0370(0.94)
G ------ .012(0.30)
H ------ .100(2.54)
J .000(0.00) ------
K .050(1.27) ------

Huomautuksia:
1. Mitat ovat tuumina.
2. Metrinen vastineet annetaan vain tiedoksi.
3. Liitinten liitännät (liitoksen jälkeen) on pidettävä puhtaina pölystä ja kosteudesta.
4. Voi ulottua kytkinmutterin koko pituudelta.



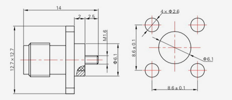
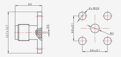
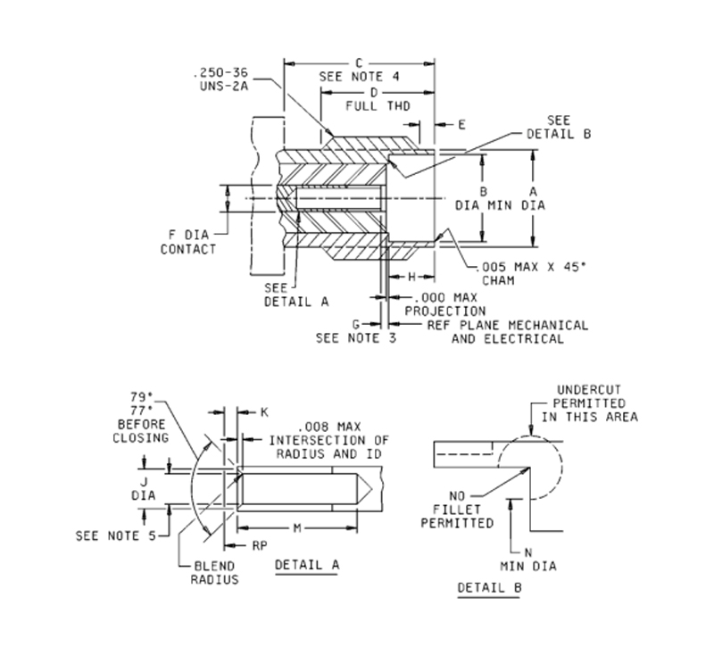
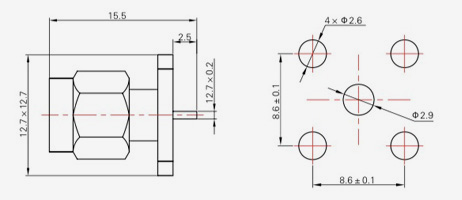
  • SMA-naaras/jakkiliittimen liitännän mitat

Himmeä.
Ltr.
tuumaa (mm)
Min. Max.
A .208 (5.28) .216(5.49)
B .1810(4.60) ------
C .218(5.54) ------
D .170(4.32) ------
E 0,15(0,38) .045(1.14)
F .049(1.24) .051(1.30)
G .000(0.00) .010(0.25)
H .074(1.88) .078(1.98)
J .043(1.09) .047(1.19)
K .000(0.00) .010(0.25)
M .105(2.67) ------
N 0,168 (4,27) ------

Huomautuksia:
1. Mitat ovat tuumina.
2. Metrinen vastineet ovat vain tiedoksi.
3. Aiemmin hyväksyttyjä osia, joissa on enintään 0,030 tuuman (0,76) kosketinsyvennys, ei hyväksytä hallituksen käyttöön. On noudatettava varovaisuutta määritettäessä, käytetäänkö 0.030:n taantumaa kunnossapidon ja osien vaihdon aikana.
4. Välys vastaliittimen kytkinmutteria varten.
5. Mitat, jotka vastaavat VSWR:ää, yhteensopivuusominaisuudet ja liittimen kestävyys yhdistettynä
.0355/-.0370 tuuman halkaisija tappi.

SMA SERIES
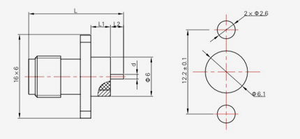
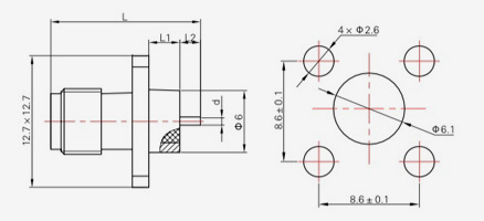
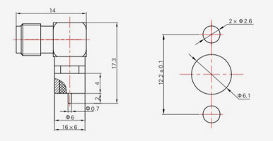
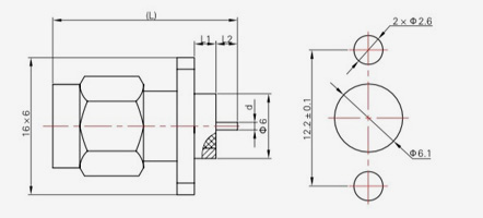
  • SMA-JB1
    SMA-JB1
    Malli Kaapeli malli d L
    SMA-JB1 SFT-50-1 670-047 Φ1.2 12.5
    SMA-JB2 SFT-50-2,670-086 Φ2.2 11.2
    SMA-JB3 SFT-50-3,670-141 Ф3,6 $ $ 12.0
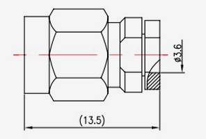
  • SMA-JB3A
    SMA-JB3A
    Malli Kaapeli malli
    SMA-JB3A SFT-50-3 670-141 $ $
  • SMA-JB3E
    SMA-JB3E
    Malli Kaapeli malli
    SMA-JB3E SFT-50-3 670-141 $ $
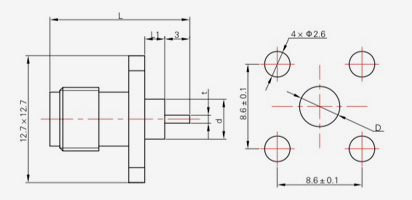
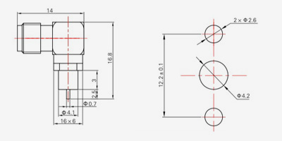
  • SMA-JWB2
    SMA-JWB2
    Malli Kaapeli malli d L
    SMA-JWB2 SFT-50-2,670-086 Φ2.2 15.6
    SMA-JWB3 SFT-50-3,670-141 Φ3.6 16
  • SMA-KB2
    SMA-KB2
    Malli Kaapeli malli d
    SMA-KB2 SFT-50-2,670-086 Φ2.2
    SMA-KB3 SFT-50-3,670-141 Φ3.6
  • SMA-J5
    SMA-J5
    Malli Kaapeli malli
    SMA-J5 SYV-50-3,RG142,
    SFCJ-50-3-51
    SMA-J5C
  • SMA-(K)5
    SMA-(K)5
    Malli Kaapeli malli
    SMA-(K)5 SYV-50-3,RG142,
    SFCJ-50-3-51
  • SMA-J5.3
    SMA-J5.3
    Malli Kaapeli malli
    SMA-J5.3 32055,205,GNB-415
  • SMA-JW2
    SMA-JW2
    Malli Kaapeli malli
    SMA-JW2 SYV-50-1
    SMA-JW3 SYV-50-2-1,RG316
    SMA-JW4 SYV-50-2-2
    SMA-JW5 SYV-50-3,RG142,SFCJ-50-3-51
  • SMA-JW5-1
    SMA-JW5-1
    Malli Kaapeli malli
    SMA-JW5-1 SYV-50-3,RG142,SFCJ-50-3-51
  • SMA-KFB2
    SMA-KFB2
    Malli Kaapeli malli d
    SMA-KFB2 SFT-50-2,670-086 Φ2.2
    SMA-KFB3 SFT-50-3,670-141 Φ3.6
  • SMA-KFB2-1
    SMA-KFB2-1
    Malli Kaapeli malli d
    SMA-KFB2-1 SFT-50-2,670-086 Φ2.2
    SMA-KFB3-1 SFT-50-3,670-141 Φ3.6
  • SMA-KYB2
    SMA-KYB2
    Malli Kaapeli malli d
    SMA-KYB2 SFT-50-2,670-086 Φ2.2
    SMA-KYB3A SFT-50-3,670-141 Φ3.6
  • SMA-KYB3
    SMA-KYB3
    Malli Kaapeli malli d
    SMA-KYB3 SFT-50-3,670-141 Φ3.6
  • SMA-J2
    SMA-J2
    Malli Kaapeli malli
    SMA-J2 SYV-50-1
    SMA-J3 SYV-50-2-1,RG316
    SMA-J4 SYV-50-2-2
  • SMA-K2
    SMA-K2
    Malli Kaapeli malli
    SMA-K2 SYV-50-1
    SMA-K3 SYV-50-2-1,RG316
  • SMA-K5
    SMA-K5
    Malli Kaapeli malli
    SMA-K5 SYV-50-3,RG142,SFCJ-50-3-51
    SMA-K5C
  • SMA-(J)5
    SMA-(J)5
    Malli Kaapeli malli
    SMA-(J)5 SYV-50-3,RG142,SFCJ-50-3-51
  • SMA-KF2
    SMA-KF2
    Malli Kaapeli malli
    SMA-KF2 SYV-50-1
    SMA-KF3 SYV-50-2-1,RG316
  • SMA-KY2
    SMA-KY2
    Malli Kaapeli malli
    SMA-KY2 SYV-50-1
    SMA-KY3 SYV-50-2-1,RG316
    SMA-KY5 SYV-50-3,RG142,SFCJ-50-3-51
  • SMA-JFD1
    SMA-JFD1
    Malli L L1 L2
    SMA-JFD1 18 3 2
    SMA-JFD30 18 3 1.5
    SMA-JFD95 $ $ 19 4 2
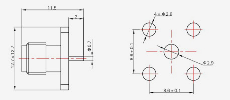
  • SMA-JFD2
    SMA-JFD2
    Malli L L1 L2 d
    SMA-JFD2 18 3 2 Φ0.7
    SMA-JFD31 18.5 3 2.5 Φ1.0
    SMA-JFD59 25 3 9 Φ1.0
  • SMA-JFD4
    SMA-JFD4
    Malli L L1 L2 d
    SMA-JFD4 32 8 11 Φ1,27
    SMA-JFD5 18 3 2 Φ1.0
    SMA-JFD13 25 8 4 Φ1,27
    SMA-JFD58 29.2 15 2 Φ1,27
  • SMA-JFD6
    SMA-JFD6
    Malli L L1 L2 d
    SMA-JFD6 32 8 11 Φ1,27
    SMA-JFD7 25 8 4 Φ1,27
    SMA-JFD8 31 15 3 Φ1,27
    SMA-JFD9 18.2 3 2 Φ1,27
  • SMA-KFD3
    SMA-KFD3
    Malli L L1 L2 d
    SMA-KFD3 27.5 15 3 Φ1.27
    SMA-KFD4 33.5 21 3 Φ1.27
    SMA-KFD8 18.5 6 3 Φ1.27
    SMA-KFD9 24.5 12 3 Φ1.27
    SMA-KFD16 20.5 8 3 Φ1.27
    SMA-KFD21 15.5 2 4 Φ1.27
    SMA-KFD24 22.5 10 3 Φ1.27
    SMA-KFD33 17.5 5 3 Φ1.7
  • SMA-KFD3
    SMA-KFD3
    Malli L L1 L2 d
    SMA-KFD46 16.5 4 3 Φ1.27
    SMA-KFD52 16.5 2 5 Φ1.0
    SMA-KFD53 20.5 6 5 Φ1.0
    SMA-KFD87 15 3 2.5 Φ0.7
    SMA-KFD133 15.5 4 2 Φ0.7
    SMA-KFD146 22.3 7 5 Φ1.0
    SMA-KFD147 18.5 4 5 Φ1.0
  • SMA-KFD5
    SMA-KFD5
    Malli L L1 L2 d
    SMA-KFD5 15.5 4 2 Φ1.27
    SMA-KFD6 22.5 8 5 Φ0.7
    SMA-KFD7 20.5 8 3 Φ1.27
    SMA-KFD18 16 4 1.5 Φ0,5
    SMA-KFD20 18.5 6 3 Φ1.27
    SMA-KFD22 27.5 15 3 Φ1.27
    SMA-KFD23 14.1 4 0.6 Φ0.4
    SMA-KFD30 33.5 21 3 Φ1.27
    SMA-KFD43 21.5 4 8 Φ1.27
    SMA-KFD47 14 2 2.5 Φ1
  • SMA-KFD5
    SMA-KFD5
    Malli L L1 L2 d
    SMA-KFD61 16.5 4.5 2 Φ1,27
    SMA-KFD62 17 3.5 4 Φ1,27
    SMA-KFD63 19.5 3.5 4 Φ1,27
    SMA-KFD64 18 3.5 5 Φ1,27
    SMA-KFD65 19 4.5 5 Φ1,27
    SMA-KFD66 20.5 4.5 6.5 Φ1,27
    SMA-KFD71 15.5 4 2 Φ0.7
    SMA-KFD122 21.5 6 6 Ф1.2
    SMA-KFD123 14.5 2 3 Φ1.2
    SMA-KFD144 19.5 9 1 Φ1.0
    SMA-KFD177 20.5 8 3 Φ1,27
  • SMA-KFD11
    SMA-KFD11
    Malli L L1 L2 d
    SMA-KFD11 14.5 3 2 Φ0,5
    SMA-KFD29 16.5 5 2 Φ0.7
    SMA-KFD75 22.5 4 9 Φ0.7
    SMA-KFD76 14.5 3 2 Φ0.7
    SMA-KFD79 27.5 2 16 Φ1.0
    SMA-KFD95 15.5 4 2 Φ0.7
    SMA-KFD126 17.7 3 5.2 Φ1.0
    SMA-KFD127 22.5 3 10 Φ1.0
    SMA-KFD132 15.5 4 2 Φ1.0
    SMA-KFD140 18.5 5 4 Φ1.0
  • SMA-KFD31
    SMA-KFD31
    Malli L L1 L2 d
    SMA-KFD31 15 3 2.5 Φ1.0
    SMA-KFD32 21.5 3 9 Φ1.0
    SMA-KFD34 17.5 3 5 Φ1
    SMA-KFD80 16.5 3 4 Φ0.7
    SMA-KFD100 16.5 5 2 Φ0.7
    SMA-KFD101 15.5 4 2 Φ0.7
    SMA-KFD102 14.5 3 2 Φ0.7
    SMA-KFD130 21.5 3 9 Φ0.7
    SMA-KFD131 15.5 4 2 Φ1.0
    SMA-KFD134 17 5 2.5 Φ0.7
    SMA-KFD136 19.5 4 6 Φ1
    SMA-KFD163 18.7 3.2 5 Φ1.0
  • SMA-KFD81
    SMA-KFD81
    Malli d
    SMA-KFD81 M1
    SMA-KFD109 M1,6
  • SMA-KFD119
    SMA-KFD119
    Malli L L1 L2 d
    SMA-KFD119 17 6.5 1 Φ3.0
    SMA-KFD121 18 6.5 2 Φ3.0
    SMA-KFD141 17.5 4 4 Φ3.2
    SMA-KFD142 18.3 7.8 1 Φ3.0
    SMA-KFD149 17.5 3 5 Φ3.0
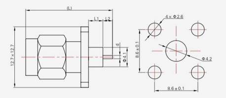
  • SMA-KWFD3
    SMA-KWFD3
    Malli L L1 L2 d D
    SMA-KWFD3 26.7 11 4.5 Φ1.27 Φ4.1
    SMA-KWFD4 24.2 8 5 Φ1.0 Φ3.2
    SMA-KWFD5 24.2 8 5 Φ0.7 Φ4.1
    SMA-KWFD6 21.2 5 5 Φ0.7 Φ4.1
    SMA-KWFD7 24.2 3 10 Φ0.7 Φ4.1
    SMA-KWFD8 21.3 5 5 Φ0.7 Φ4.1
    SMA-KWFD9 16.2 3 2 Φ0.7 Φ4.1
    SMA-KWFD12 15.2 2 2 Φ0.7 Φ4.1
    SMA-KWFD49 25.2 5 9 Φ0,17 Φ4.1
  • SMA-JFD11
    SMA-JFD11
    Malli L L1 h
    SMA-JFD11 14 1 0.2
    SMA-JFD17 16 3 0.4
    SMA-JFD18 14 1 0.3
    SMA-JFD19 14 1 0.4
    SMA-JFD20 14 1 0.5
    SMA-JFD24 15 2 0.4
  • SMA-JFD12
    SMA-JFD12
    Malli L h
    SMA-JFD12 13.1 0.4
    SMA-JFD14 13.1 0.55
  • SMA-KFD145
    SMA-KFD145
    Malli L L1 L2
    SMA-KFD145 22.3 7.8 5
    SMA-KFD151 21 2.5 9
    SMA-KFD161 20.5 6.5 5
    SMA-KFD162 17.5 3 5
  • SMA-KWF
    SMA-KWF
    Malli L L1
    SMA-KWF 14.6 3.3
    SMA-KWFD10 13.3 2
  • SMA-JFD16
    SMA-JFD16
    Malli h
    SMA-JFD16 0.2
    SMA-JFD21 0.3
    SMA-JFD22 0.4
    SMA-JFD23 0.5
  • SMA-KFD26
    SMA-KFD26
    Malli h
    SMA-KFD26 0.2
    SMA-KFD27 0.4
    SMA-KFD110 0.3
    SMA-KFD111 0.5
  • SMA-KFD112
    SMA-KFD112
    Malli h
    SMA-KFD112 0.2
    SMA-KFD113 0.3
    SMA-KFD114 0.4
    SMA-KFD115 0.5
  • SMA-KFD10
    SMA-KFD10
    Malli L L1 t
    SMA-KFD10 15.8 3 0,5 × 0,2
    SMA-KFD14 16.5 4 0,5 × 0,2
    SMA-KFD35 14.5 2 1,27 × 0,2 $ $
  • SMA-KFD13
    SMA-KFD13
    Malli L L1 t d D
    SMA-KFD13 16 4 0,5 × 0,2 Φ4.1 Φ4.2
    SMA-KFD14 15.2 3.2 0,5 × 0,2 Φ4.1 Φ4.2
    SMA-KFD35 15 3 1,27 × 0,2 Φ4.1 Φ4.2
    SMA-KFD45 14.4 2.4 0,5 × 0,2 Φ4.1 Φ4.2
    SMA-KFD68 15.2 3.2 0,5 × 0,2 Φ2.1 Φ2.2
    SMA-KFD73 16 4 1,27 × 0,2 Φ4.1 Φ4.2
  • SMA-KFD39
    SMA-KFD39
    Malli t
    SMA-KFD39 0,5 × 0,2
    SMA-KFD149 1,27 × 0,2 $ $
  • SMA-JFD40
    SMA-JFD40
    Malli d D
    SMA-JFD40 Φ0,5 Φ3.0
    SMA-JFD41 Φ0,45 Φ2.8
    SMA-JFD42 Φ0,38 Φ2.5
    SMA-JFD44 Φ0.3 Φ2.0
  • SMA-JFD48
    SMA-JFD48
    Malli d D
    SMA-JFD48 Φ0,5 Φ3.0
    SMA-JFD55 Φ0,45 Φ2.8
    SMA-JFD56 Φ0,38 Φ2.5
    SMA-JFD57 Φ0.3 Φ2.0
  • SMA-KFD40
    SMA-KFD40
    Malli d D
    SMA-KFD40 Ф0,5 Φ3.0
    SMA-KFD41 Φ0,45 Φ2.8
    SMA-KFD42 Φ0,38 Φ2.5
    SMA-KFD44 Φ0.3 Φ2.0
  • SMA-KFD48
    SMA-KFD48
    Malli d D
    SMA-KFD48 Φ0,5 Φ3.0
    SMA-KFD55 Φ0,45 Φ2.8
    SMA-KFD56 Φ0,38 Φ2.5
    SMA-KFD57 Φ0.3 Φ2.0
    SMA-KFD152 Φ0.4 Φ2.8
  • SMA-KHD
    SMA-KHD
    Malli L
    SMA-KHD 13.5
    SMA-KHD10 18.5
  • SMA-KHD1
    SMA-KHD1
    Malli A d
    SMA-KHD1 1.2 Φ1.27
    SMA-KHD2 1.5 Φ1.27
    SMA-KHD3 2 Φ1.27
    SMA-KHD4 0.5 Φ1.27
    SMA-KHD5 0.8 Φ1.27
    SMA-KHD6 1 Φ1.27
    SMA-KHD8 1.6 Φ0.8
    SMA-KHD9 1.6 Φ1.27
    SMA-KHD11 1 Φ0.5
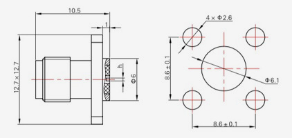
  • SMA-JWF
    SMA-JWF
  • SMA-KF1
    SMA-KF1
  • SMA-KFD17
    SMA-KFD17
  • SMA-KFD150
    SMA-KFD150
  • SMA-KWF1
    SMA-KWF1
  • SMA-KYD
    SMA-KYD
  • SMA-JFD3
    SMA-JFD3
  • SMA-JFD61
    SMA-JFD61
  • SMA-KFD19
    SMA-KFD19
  • SMA-KFD36G
    SMA-KFD36G
  • SMA-KFD51
    SMA-KFD51
  • SMA-KFD125
    SMA-KFD125
  • SMA-KFD135
    SMA-KFD135
  • SMA-KWFD2-1
    SMA-KWFD2-1
  • SMA-KWFD2-2
    SMA-KWFD2-2
  • SMA-KFD154
    SMA-KFD154
  • SMA-KFD158
    SMA-KFD158
  • SMA-KWFD2
    SMA-KWFD2
  • SMA-JFD26
    SMA-JFD26
  • SMA-JFD124
    SMA-JFD124
  • SMA-KFD124
    SMA-KFD124
  • SMA-KFD143
    SMA-KFD143
  • SMA-JFD15
    SMA-JFD15
  • SMA-JFD25
    SMA-JFD25
  • SMA-JFD54
    SMA-JFD54
  • SMA-KFD54
    SMA-KFD54
  • SMA-KFD78
    SMA-KFD78
  • SMA-JHD
    SMA-JHD
  • SMA-KHD7
    SMA-KHD7
  • SMA-KWHD
    SMA-KWHD
  • SMA-KWHD4
    SMA-KWHD4
  • SMA-KWHD5
    SMA-KWHD5

PIDÄ YHTEYTTÄ

LÄHETÄ
Tietoja meistä
Ningbo Hanson Communication Technology Co., Ltd.
Ningbo Hanson Communication Technology Co., Ltd.
Ningbo Hanson Communication Technology Co., Ltd. is China SMA RF Coaxial Connector Supplier and Custom SMA RF Coaxial Connector Company. We are a manufacturer specializing in the production, processing, and trade of communication components, with more than 30 years of experience in RF coaxial connectors, adapters, and cable assemblies. Yritys on nyt kehittänyt oman koneistuspajan, galvanointipajan, kokoonpanotyöpajan sekä joukon vakaita ja luotettavia toimittajia. Yrityksen tarkoituksena on tarjota asiakkaille korkealaatuisia tuotteita. Päätuotteet ovat RF-koaksiaaliliittimiä, sovittimia, suurtaajuisia kaapelikokoonpanoja ja matalan keskinäismodulaation kaapelikokoonpanoja. Lisäksi yritys voi tarjota palveluita asiakkaille, joilla on räätälöityjä tarpeita vastaamaan asiakkaiden erityisvaatimuksia tuotteille. Yrityksen tuotteita käytetään laajasti ilmailu-, viestintätukiasemissa, lääketieteellisissä laitteissa ja muilla korkean teknologian aloilla. Yritysuudistuksen, innovaation, kehityksen ja kasvun aikana yhtiö teki aloitteen liittyä kansainväliseen ISO9001 laatujärjestelmään ja paransi jatkuvasti johtamistasoa tarjotakseen tyydyttävämpiä tuotteita ja palveluita uusille ja vanhoille asiakkaille.
Viimeisimmät uutiset
Etsitkö liiketoimintamahdollisuutta?

Pyydä soitto tänään