OEM RF-lasieriste Supplier

RF-lasieriste

Kuvaus:

Lasieristeissä käytetään lasisintrausrakennetta, jolla on hyvä tiivistyskyky. Niitä voidaan käyttää millimetriaaltoliittimien, kuten SMA ja 2.92, kanssa, ja niitä voidaan käyttää myös suoraan piirilevyjen, mallien ja mallien ja komponenttien välillä. Se käyttää lasia (dielektrisyysvakio noin 4,0) eristysväliaineena, ja sisä- ja ulkojohtimet on valmistettu Kovar-seosmateriaalista. Korkean lämpötilan sintrauksen jälkeen pinta on nikkelöity kullalla. Lasieristeiden etuna on pieni koko, keveys, ilmatiiviys ja korkea luotettavuus. Niitä käytetään enimmäkseen tilanteissa, joissa on tiivistysvaatimuksia tai vaatimuksia tuotteen tilavuudelle ja painolle. Ne soveltuvat intensiiviseen asennukseen. Sisäjohdin voidaan liittää useilla eri tavoilla, kuten pistokkeella, pinta-asennuksella, hitsauksella ja kultalangalla.

Tiedustella

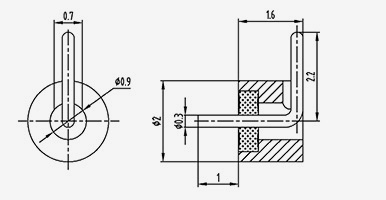
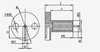
Perusrakenne:
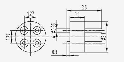
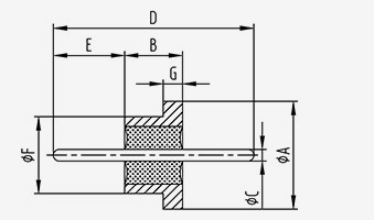
Lasieriste koostuu yleensä kolmesta osasta: ulkojohtimesta, lasiväliaineesta ja sisäjohtimesta, ja sen perusrakenne on esitetty seuraavassa kuvassa.

Tekniset tiedot ja luotettavuustestit:

Sähköiset ominaisuudet
Ominainen impedanssi 50Ω tai jotain muuta Taajuusalue DC ~ 65 GHz
Dielektrinen kestävä jännite ≥500V Eristysvastus ≥5000M Ω
Kosketusvastus Sisäjohdin≤3m Ω Jännite VSWR (50Ω) ≤ 1,05 0,008f ( f: GHz)
Ulkojohdin ≤2m Ω RF Insertion Loss (50Ω) ≤0,05 √ f (f: GHz)
Materiaali- ja mekaaniset, ympäristöominaisuudet
Ulkojohdin Delegoitavat metalliseokset Ilmavuotonopeus 1,01*10 -9 Pa.m 3 /S
Sisäjohdin Hajoavat metalliseokset Käyttölämpötila -65 ~ 165
Eristysaine Lasi

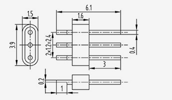
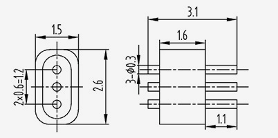
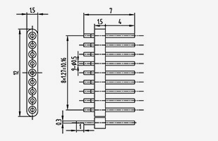
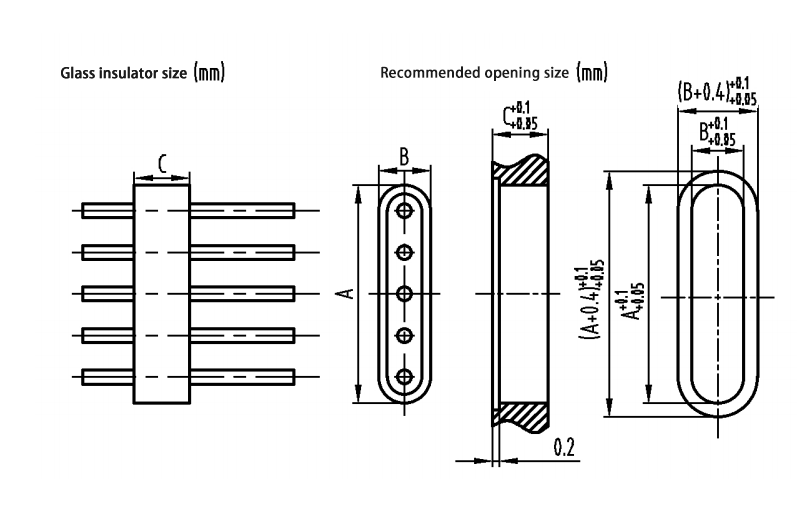
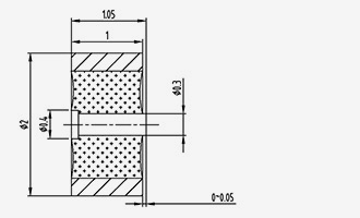
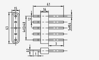
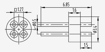
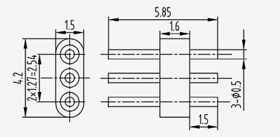
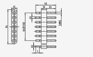
Suositeltavat asennusmitat lasieristeille
Suositellut asennusaukon mitat yksiytimille lasieristeille on esitetty alla:

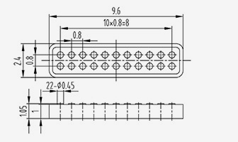
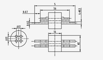
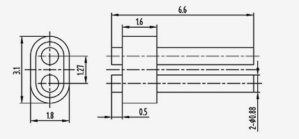
Suositellut asennusaukon mitat moniytimisille lasieristeille on esitetty alla:

Lasieristeen sähköisen suorituskyvyn testaus:
50 ohmin ominaisimpedanssilasieristeet, joissa on standardi SMA, 2,92, 2,4 jne. millimetriaaltoliittimet, jotka on yhdistetty molemmista päistä sähköisen suorituskyvyn testausta varten.

RF SERIES
  • 50Ω ominaisimpedanssi, yksiytiminen pyöreä pää
    50Ω ominaisimpedanssi, yksiytiminen pyöreä pää
    Malli Koko (mm)
    A B C D E
    HS1710-0,23(2,8-0,3) 1.73 1 0.23 2.8 0.3
    HS1710-0,23(6,2-2,7) 1.73 1 0.23 6.2 2.7
    HS1710A 1.73 1 0.23 3 1
    HS1714-0,23(2-0,3) 1.73 1.4 0.23 2 0.3
    V1714-0.23(2.69-0.5) 1.73 1.4 0.23 2.7 0.5
    V1714-0.23(3.9-1.7) 1.73 1.4 0.23 3.9 1.7
    V1714-0.23(4.5-1.7) 1.73 1.4 0.23 4.5 1.7
    HS1714-0,23(3-1,1) 1.73 1.4 0.23 3 1.1
    HSI714E 1.73 1.4 0.23 2.9 1
    HS1714F 1.73 1.4 0.23 2.79 0.9
    HS1715-0,23(3,2-0,8) 1.73 1.5 0.23 3.2 0.8
    HS1716A 1.73 1.65 0.23 3.4 1
    V1719-0.23(5.0-1.7) 1.73 1.9 0.23 5 1.7
    V1720-0,23(3,3-0,5) 1.73 2 0.23 3.3 0.5
    HS1720-0,23(3,7-1,2) 1.73 2 0.23 3.7 1.2
    V1720-0.23(4.0-1.0) 1.73 2 0.23 4 1
    HS1720-0,23(6-2) 1.73 2 0.23 6 2
    V1724-0.23(3.7-0.5) 1.73 2.4 0.23 3.7 0.5
    HS1724-0,23(4,5-1,7) 1.73 2.4 0.23 4.5 1.7
  • 50Ω ominaisimpedanssi, yksiytiminen pyöreä pää
    50Ω ominaisimpedanssi, yksiytiminen pyöreä pää
    Malli Koko (mm)
    A B C D E
    V1727-0.23(4.0-0.5) 1.73 2.7 0.23 4 0.5
    HS1727A 1.73 2.7 0.23 4.7 1
    HS1728-0,23(4-0,5) 1.73 2.8 0.23 4 0.5
    HS1730-0,23(4,3-0,5) 1.73 3 0.23 4.3 0.5
    V1730-0.23(5.0-1.0) 1.73 3 0.23 5 1
    HS1734-0.23-01 1.73 3.4 0.23 5.2 1
    HS1744-0.23-01 1.73 4.4 0.23 6.2 1
    HS1749-0,23(8,9-2,0) 1.73 4.9 0.23 8.9 2
    HS1751A 1.73 5.1 0.23 5.9 0.4
    HS1756-0,23(6,6-0,5) 1.73 5.6 0.23 6.6 0.5
    HS1914-0,3(2,55-0,35) 1.9 1.4 0.3 2.55 0.35
    HS1914-0.3(3.2-1.1) 1.9 1.4 0.3 3.2 1.1
    HS1914C 1.9 1.4 0.3 3.6 0.7
    HS1914-0.3(4.4-2) 1.9 1.4 0.3 4.4 2
    HS1914-0.3(3.2-1.1) 1.9 1.4 0.3 3.2 1.1
    HS1914-0,3(3,8-1,2) 1.9 1.4 0.3 3.8 1.2
    HS1914-0.3(4.4-2) 1.9 1.4 0.3 4.4 2
    HS1916-0,3(4,7-0,8) 1.9 1.6 0.3 4.7 0.8
    HS1916B 1.9 1.6 0.3 4.9 0.8
  • 50Ω ominaisimpedanssi, yksiytiminen pyöreä pää
    50Ω ominaisimpedanssi, yksiytiminen pyöreä pää
    Malli Koko (mm)
    A B C D E
    HS1917-0.3(3.45-1) 1.9 1.75 0.3 3.45 1
    HS1918-0.3(5.8-2) 1.9 1.8 0.3 5.8 2
    HS1918-0,3(7,8-4,2) 1.9 1.8 0.3 7.8 4.2
    HS1918-0.3(3.5-1) 1.95 1.8 0.3 3.5 1
    HS1934-0,3(4,6-0,4) 1.9 3.4 0.3 4.6 0.4
    HS2006-0.3(3.2-2) 2 0.6 0.3 3.2 2
    HS2008-0,3(1,32-0,26) 2 0.8 0.3 1.32 0.26
    HS2008F 2 0.8 0.3 1.7 0.45
    HS2008-0,3(1,8-0,3) 2 0.8 0.3 1.8 0.3
    HS2008-0,3(2,8-1,0) 2 0.8 0.3 2.8 1
    HS2008-0,3(3,0-1,5) 2 0.8 0.3 3 1.5
    HS2008-0,3(3,4-0,8) 2 0.8 0.3 3.4 0.8
    HS2008-0,3(3,6-1,2) 2 0.8 0.3 3.6 1.2
    HS2008-0,3(5,4-2,6) 2 0.8 0.3 5.4 2.6
    HS2008-0,3(6-2,6) 2 0.8 0.3 6 2.6
    HS2010-0,3(2,1-0,7) 2 1 0.3 2.1 0.7
    HS2010-0,3(2,5-1) 2 1 0.3 2.5 1
    HS2010-0,3(3,2-1,2) 2 1 0.3 3.2 1.2
    HS2011-0,3(2,1-0,5) 2 1.1 0.3 2.1 0.5
  • 50Ω ominaisimpedanssi, yksiytiminen pyöreä pää
    50Ω ominaisimpedanssi, yksiytiminen pyöreä pää
    Malli Koko (mm)
    A B C D E
    HS2012A 2 1.2 0.3 3.5 1.2
    HS2012-0,3(6-1,8) 2 1.2 0.3 6 1.8
    HS2012-0,3(6,7-1,5) 2 1.2 0.3 6.7 1.5
    HS2013-0,3(2,3-0,5) 2 1.3 0.3 2.3 0.5
    HS2014-0,3(1,92-0,26) 2 1.4 0.3 1.92 0.26
    HS2014-0,3(2,12-0,36) 2 1.4 0.3 2.12 0.36
    HS2014-0,3(2,4-0,5) 2 1.4 0.3 2.4 0.5
    HS2014D 2 1.4 0.3 3.1 0.45
    HS2014-0,3(4,4-1,5) 2 1.4 0.3 4.4 1.5
    HS2014-0.3(4.4-1) 2 1.4 0.3 4.4 1
    HS2014-0,3(4,55-1,5) 2 1.4 0.3 4.55 1.5
    HS2014-0,3(4,65-1,5) 2 1.4 0.3 4.65 1.5
    HS2014-0,3(5,5-1,9) 2 1.4 0.3 5.5 1.9
    HS2014-0,3(5,7-1,8) 2 1.4 0.3 5.7 1.8
    HS2014-0,3(8,0-4,6) 2 1.4 0.3 8 4.6
    HS2014-0,3(8-1,9) 2 1.4 0.3 8 1.9
    HS2015-0,3(3,25-0,75) 2 1.5 0.3 3.25 0.75
    HS2016-0,3(2,7-0,7) 2 1.6 0.3 2.7 0.7
    HS2016-0,3(2,8-0,5) 2 1.6 0.3 2.8 0.5
  • 50Ω ominaisimpedanssi, yksiytiminen pyöreä pää
    50Ω ominaisimpedanssi, yksiytiminen pyöreä pää
    Malli Koko (mm)
    A B C D E
    HS2016-0,3(3,5-1,2) 2 1.6 0.3 3.5 1.2
    HS2016-0,3(3,6-1) 2 1.6 0.3 3.6 1
    HS2016-0,3(3,9-0,4) 2 1.6 0.3 3.9 0.4
    HS2016E 2 1.6 0.3 3.9 0.6
    HS2016-0.3(4.1-1) 2 1.6 0.3 4.1 1
    HS2016-0,3(4,2-0,8) 2 1.6 0.3 4.2 0.8
    HS2016-0,3(4,6-1,2) 2 1.6 0.3 4.6 1.2
    HS2016-0,3(4,6-1,8) 2 1.6 0.3 4.6 1.8
    Ka2016-0,3(5-2,9) 2 1.6 0.3 5 2.9
    HS2016-0,3(5,2-1,8) 2 1.6 0.3 5.2 1.8
    HS2016-0,3(8,0-4,6) 2 1.6 0.3 8 4.6
    HS2016-0,3(8-1,8) 2 1.6 0.3 8 1.8
    HS2016-0,3(12-2,4) 2 1.6 0.3 12 2.4
    HS2016-0,3(20,4-4,6) 2 1.6 0.3 20.4 4.6
    HS2017-0,3(3,3-0,8) 2 1.7 0.3 3.3 0.8
    HS2017-0,3(8,5-2,0) 2 1.7 0.3 8.5 2
    HS2018-0,3(3,5-1) 2 1.8 0.3 3.5 1
    HS2019-0.3-01 2 1.9 0.3
    HS2020-0,3(3,4-0,4) 2 2 0.3 3.4 0.4
  • 50Ω ominaisimpedanssi, yksiytiminen pyöreä pää
    50Ω ominaisimpedanssi, yksiytiminen pyöreä pää
    Malli Koko (mm)
    A B C D E
    HS2020-0,3(3,8-0,8) 2 2 0.3 3.8 0.8
    HS2020-0,3(5,6-2,8) 2 2 0.3 5.6 2.8
    HS2020-0,3(5,7-2,9) 2 2 0.3 5.7 2.9
    HS2020-0.3(6-2) 2 2 0.3 6 2
    HS2020-0.3(12-5) 2 2 0.3 12 5
    HS2022F 2 2.2 0.3 3.1 0.45
    HS2022-0,3(3,2-0,7) 2 2.2 0.3 3.2 0.7
    HS2023-0,3(3,35-0,7) 2 2.3 0.3 3.35 0.7
    HS2023-0,3(3,7-0,7) 2 2.3 0.3 3.7 0.7
    HS2025-0,3(4,8-0,9) 2 2.5 0.3 4.8 0.9
    HS2025-0,3(6-1,5) 2 2.5 0.3 6 1.5
    HS2025-0,38(7,4-1,4) 2 2.5 0.38 7.4 1.4
    HS2026.5-0.3-01 2 2.6 5 0.3 0.1
    HS2028-0,3(4,9-0,5) 2 2.8 0.3 4.9 0.5
    HS2029-0,3(4,1-0,8) 2 2.9 0.3 4.1 0.8
    HS2029-0,3(4,9-0,5) 2 2.9 0.3 4.9 0.5
    HS2030-0,3(5,2-1,5) 2 3 0.3 5.2 1.5
    HS2030-0.3(5.8-1) 2 3 0.3 5.8 1
    HS2030-0.3(8-2) 2 3 0.3 8 2
  • 50Ω ominaisimpedanssi, yksiytiminen pyöreä pää
    50Ω ominaisimpedanssi, yksiytiminen pyöreä pää
    Malli Koko (mm)
    A B C D E
    HS2030-0,3(9-1,5) 2 3 0.3 9 1.5
    HS2034-0,3(4,4-0,7) 2 3.4 0.3 4.4 0.7
    HS2035-0,3(6,6-1,8) 2 3.5 0.3 6.6 1.8
    HS2035-0,3(6,65-1,3) 2 3.5 0.3 6.65 1.3
    HS2035-0,3(7,1-1,3) 2 3.5 0.3 7.1 1.3
    HS2035-0,3(9,5-3) 2 3.5 0.3 9.5 3
    HS2036-0,3(5,7-0,7) 2 3.6 0.3 5.7 0.7
    HS2040A 2 4 0.3 5.1 0.8
    HS2045-0,7(11,5-2) 2 4.5 0.7 11.5 2
    HS2050-0,3(6,4-0,7) 2 5 0.3 6.4 0.7
    HS2507-0,38(2,2-0,3) 2.5 0.7 0.38 2.2 0.3
    HS2508-0,38(1,8-0,3) 2.5 0.8 0.38 1.8 0.3
    HS2508-0,38(2-0,5) 2.5 0.8 0.38 2 0.5
    HS2510-0,38(3,6-1,3 ) 2.5 1 0.38 3.6 1.3
    HS2510-0,38(7-3) 2.5 1 0.38 7 3
    HS2511-0.38(2..4-0.5) 2.5 1.1 0.38 2.4 0.5
    HS2511-0,38(3,7-0,6) 2.5 1.1 0.38 3.7 0.6
    HS2512-0,38(3,1-0,8) 2.5 1.1 0.38 3.7 0.6
    HS4414-0,3(3,2-1,1) 4.4 1.4 0.3 3.2 1.1
  • 50Ω ominaisimpedanssi, yksiytiminen pyöreä pää
    50Ω ominaisimpedanssi, yksiytiminen pyöreä pää
    Malli Koko (mm)
    A B C D E
    HS2516-0,3(7,5-2,14) 2.5 1.6 0.3 7.5 2.14
    HS2516-0,3(8-1,8) 2.5 1.6 0.3 8 1.8
    HS2516-0,38(3,5-0,7) 2.5 1.6 0.38 3.5 0.7
    HS2516-0,38(4,1-1,25) 2.5 1.6 0.38 4.1 1.25
    HS2516-0,38(4,3-1,2) 2.5 1.6 0.38 4.3 1.2
    Ka2511-0,38(2,7-1,0) 2.5 1.1 0.38 2.7 1
    Ka2516-0,38(2,9-0,3) 2.5 1.6 0.38 2.9 0.3
    K2516-0,38(4-1,5) 2.5 1.6 0.38 4 1.5
    HS2516-0,38(4,5-1,2) 2.5 1.6 0.38 4.5 1.2
    HS2516-0,38(4,6-1) 2.5 1.6 0.38 4.6 1
    HS2516E 2.5 1.6 0.38 4.6 1.5
    HS2516G 2.5 1.6 0.38 4.6 1.5
    HS2516-0,38(4,8-1,2) 2.5 1.6 0.38 4.8 1.2
    HS2516-0,38(4,9-1,5) 2.5 1.6 0.38 4.9 1.5
    HS2516-0,38(5,1-1,6) 2.5 1.6 0.38 5.1 1.6
    HS2516-0,38(5,3-1,2) 2.5 1.6 0.38 5.3 1.2
    Ka2516-0,38(5,6-3,0) 2.5 1.6 0.38 5.6 3
    HS2516-0,38(6,1-1,3) 2.5 1.6 0.38 6.1 1.3
    HS2516-0,38(7,1-1,4) 2.5 1.6 0.38 7.1 1.4
  • 50Ω ominaisimpedanssi, yksiytiminen pyöreä pää
    50Ω ominaisimpedanssi, yksiytiminen pyöreä pää
    Malli Koko (mm)
    A B C D E
    HS2516-0,38(7,41-1,27) 2.5 1.6 0.38 7.41 1.27
    HS2516F 2.5 1.6 0.38 7.45 4.55
    HS2516-0.38-01 2.5 1.6 0.38 7.5 1.3
    HS2516-0,38(8-1,8) 2.5 1.6 0.38 8 1.8
    RF2516-0,38(8-4,6) 2.5 1.6 0.38 8 4.6
    HS2516-0,38(8-5) 2.5 1.6 0.38 8 5
    K2516-0,38(8-1,5) 2.5 1.6 0.38 8 1.5
    K2516-0,38(8-5,9) 2.5 1.6 0.38 8 5.9
    HS2516-0,38(11,6-5) 2.5 1.6 0.38 11.6 5
    HS2516-0,38(12-2,0) 2.5 1.6 0.38 12 2
    HS2520-0,38(6-2) 2.5 2 0.38 6 2
    HS2520-0,38(7,4-1,4) 2.5 2 0.38 7.4 1.4
    HS2520-0,38(7,8-1,4) 2.5 2 0.38 7.8 1.4
    HS2520-0,38(9,0-2,0) 2.5 2 0.38 9 2
    HS2520-0,38(12-5) 2.5 2 0.38 12 5
    HS2520-0,38(15-2) 2.5 2 0.38 15 2
    HS2524-0,38(5,7-1,1) 2.5 2.4 0.38 5.7 1.1
    HS2526-0,38(6,6-2) 2.5 2.6 0.38 6.6 2
    HS2530-0,38(3,6-0,3) 2.5 3 0.38 3.6 0.3
  • 50Ω ominaisimpedanssi, yksiytiminen pyöreä pää
    50Ω ominaisimpedanssi, yksiytiminen pyöreä pää
    Malli Koko (mm)
    A B C D E
    Ka2530-0,38(4,6-1,0) 2.5 3 0.38 4.6 1
    HS2530A 2.5 3 0.38 5 1
    HS2530-0,38(7,5-1,5) 2.5 3 0.38 7.5 1.5
    HS2530-0,38(8-0,4) 2.5 3 0.38 8 0.4
    HS2530-0,38(8-2) 2.5 3 0.38 8 2
    HS2530-0,38(9-3) 2.5 3 0.38 9 3
    HS2530-0,38(12-2,2) 2.5 3 0.38 12 2.2
    HS2530-0,38(13,9-8,2) 2.5 3 0.38 13.9 8.2
    HS2530-0.38(20-4) 2.5 3 0.38 20 4
    HS2533-0,38(6,5-1,2) 2.5 3.3 0.38 6.5 1.2
    HS2535-0,38(7,5-2) 2.5 3.5 0.38 7.5 2
    HS2537-0,38(7,7-2) 2.5 3.7 0.38 7.7 2
    HS2540-0,38(11-1,8) 2.5 4 0.38 11 1.8
    HS2545-0,38(8-1,3) 2.5 4.5 0.38 8 1.3
    HS2550-0,38(6,9-1,5) 2.5 5 0.38 6.9 1.5
    HS2550-0.38(11-2) 2.5 5 0.38 11 2
    HS2558-0,38(14,8-6) 2.5 5.8 0.38 14.8 6
    HS2575-0,38(12-1,3) 2.5 7.5 0.38 12 1.3
    HS2810-0,45(3,3-0,35) 2.8 1 0.45 3.3 0.35
  • 50Ω ominaisimpedanssi, yksiytiminen pyöreä pää
    50Ω ominaisimpedanssi, yksiytiminen pyöreä pää
    Malli Koko (mm)
    A B C D E
    HS2815-0,45(5,75-1,25) 2.8 1.5 0.45 5.75 1.25
    HS2816-0,45(4,6-1,5) 2.8 1.6 0.45 4.6 1.5
    HS2816-0,45(4,9-1,8)-R 2.8 1.6 0.45 4.9 1.8
    HS2816-0,45(5,1-1,5) 2.8 1.6 0.45 5.1 1.5
    HS2816-0,45(5,2-1,1) 2.8 1.6 0.45 5.2 1.1
    HS2816-0,45(5,4-2) 2.8 1.6 0.45 5.4 2
    HS2816-0,45(5,6-2) 2.8 1.6 0.45 5.6 2
    HS2816-0,45(6,2-1,8) 2.8 1.6 0.45 6.2 1.8
    HS2816-0,45(8,0-4,6) 2.8 1.6 0.45 8 4.6
    HS2816-0,45(8-1,8) 2.8 1.6 0.45 8 1.8
    HS2816-0,45(11,6-5) 2.8 1.6 0.45 11.6 5
    HS2816-0,45(12-3,0) 2.8 1.6 0.45 12 3
    HS2831-0,45(5,2-1,8) 2.8 3.1 0.45 5.2 1.8
    HS2843-0,45(8,3-2) 2.8 4.3 0.45 8.3 2
    HS3015-0,5(4,3-0,8) 3 1.5 0.5 4.3 0.8
    HS3016-0,5(3,4-0,9) 3 1.6 0.5 3.4 0.9
    HS3016-0.5(4.6-1) 3 1.6 0.5 4.6 1
    HS3016-0,5(4,6-1,5) 3 1.6 0.5 4.6 1.5
    HS3016B 3 1.6 0.38 4.9 1.8
  • 50Ω ominaisimpedanssi, yksiytiminen pyöreä pää
    50Ω ominaisimpedanssi, yksiytiminen pyöreä pää
    Malli Koko (mm)
    A B C D E
    HS3016-0.5(5.6-2) 3 1.6 0.5 5.6 2
    HS3016C 3 1.6 0.5 6.6 2
    HS3016-0,5(6,6-2,5) 3 1.6 0.5 6.6 2.5
    HS3016-0,5(7,5-2) 3 1.6 0.5 7.5 2
    HS3016-0,5(7,5-3,9) 3 1.6 0.5 7.5 3.9
    HS3016-0,5(7,8-2,0) 3 1.6 0.5 7.8 2
    HS3016-0,5(9,65-3,05) 3 1.6 0.5 9.65 3.05
    HS3016-0.5(12-5.0) 3 1.6 0.5 12 5
    HS3016-0,5(14,3-1,5) 3 1.6 0.5 14.3 1.5
    HS3020-0,5(5-1,8) 3 2 0.5 5 1.8
    HS3020-0,5(6,0-1,5) 3 2 0.5 6 1.5
    HS3020-0,5(6,5-2,2) 3 2 0.5 6.5 2.2
    HS3020-0,5(6,5-2,3) 3 2 0.5 6.5 2.3
    HS3020-0,5(6,8-1,8) 3 2 0.5 6.8 1.8
    HS3020-0,5(7,5-2,2) 3 2 0.5 7.5 2.2
    HS3020-0.5(8-2) 3 2 0.5 8 2
    HS3020-0,5(8,5-2,2) 3 2 0.5 8.5 2.2
    HS3020-0,5(8,5-4,3) 3 2 0.5 8.5 4.3
    HS3020-0,5(10-4) 3 2 0.5 10 4
  • 50Ω ominaisimpedanssi, yksiytiminen pyöreä pää
    50Ω ominaisimpedanssi, yksiytiminen pyöreä pää
    Malli Koko (mm)
    A B C D E
    HS3020-0,5(10-1,5) 3 2 0.5 10 1.5
    HS3020-0.5(12-4.0) 3 2 0.5 12 4
    HS3020-0.5(12-5.0) 3 2 0.5 12 5
    HS3020-0.5(12-6) 3 2 0.5 12 6
    HS3020-0.5(15-2) 3 2 0.5 15 2
    HS3025-0,5(5,4-1,2) 3 2.5 0.5 5.4 1.2
    HS3030A 3 3 0.38 10 1.5
    HS3030-0,5(6,5-2) 3 3 0.5 6.5 2
    HS3030-0,5(6,6-1,8) 3 3 0.5 6.6 1.8
    HS3030-0,5(7,5-2)-R 3 3 0.5 7.5 2
    HS3030-0,5(8,8-1,8) 3 3 0.5 8.8 1.8
    HS3030-0.5(10-2) 3 3 0.5 10 2
    HS3030-0.5(12-3) 3 3 0.5 12 3
    HS3030-0.5(12-2) 3 3 0.5 12 2
    HS3030-0.5(14-4.0) 3 3 0.5 14 4
    HS3035-0.5(6-1) 3 3.5 0.5 6 1
    HS3035-0,5(11,5-4) 3 3.5 0.5 11.5 4
    HS3040A 3 4 0.5 10.4 4
    HS3042-0,5(9,0-2,2) 3 4.2 0.5 9 2.2
  • 50Ω ominaisimpedanssi, yksiytiminen pyöreä pää
    50Ω ominaisimpedanssi, yksiytiminen pyöreä pää
    Malli Koko (mm)
    A B C D E
    HS3045-0,5(8,5-2) 3 4.5 0.5 8.5 2
    HS3047-0,5(9,4-2,2) 3 4.7 0.5 9.4 2.2
    HS3047-0.5(12-5.1) 3 4.7 0.5 12 5.1
    HS3050-0.5(9-2) 3 5 0.5 9 2
    HS3052A 3 5.2 0.5 10.3 4
    HS3057-0,5(12,5-3) 3 5.7 0.5 12.5 3
    HS3620-0,5(9-2,5) 3.6 2 0.5 9 2.5
    HS3616-0,6(12,2-1,6) 3.6 1.6 0.6 12.2 1.6
    HS3625-0,6(6,5-2) 3.6 2.5 0.6 6.5 2
    HS2540-0.8(27-5) 2.5 4 0.8 27 5
    HS4030A 4 3 1 10.6 4.6
    HS5010-0,8(5,9-2,45) 5 1 0.8 5.9 2.45
    HS5015-0,8(7,3-4,9) 5 1.5 0.8 7.3 4.9
    HS5016B 5 1.6 0.8 5.6 2
    HS5016-0,8(8,6-3,0) 5 1.6 0.8 8.6 3
    HS5030-0.8(17.2-2) 5 3 0.8 17.2 2
    HS5040-0.8(12-3) 5 4 0.8 12 3
    HS5060-0,8(11,5-2,5) 5 6 0.8 11.5 2.5
    HS5065-0,8(13,7-3) 5 6.5 0.8 13.7 3
  • 50Ω ominaisimpedanssi, yksiytiminen pyöreä pää
    50Ω ominaisimpedanssi, yksiytiminen pyöreä pää
    Malli Koko (mm)
    A B C D E
    HS5065-0,8(15,5-3) 5 6.5 0.8 15.5 3
    HS5516-0,9(8,3-2,8) 5.5 1.6 0.9 8.3 2.8
    HS5516-0,9(8,5-2,8) 5.5 1.6 0.9 8.5 2.8
    HS5516-0,9(8,7-2,8) 5.5 1.6 0.9 8.7 2.8
    HS5516-0,9(8,9-2,8) 5.5 1.6 0.9 8.9 2.8
    HS5516-0,9(9,1-2,8) 5.5 1.6 0.9 9.1 2.8
    HS5516-0,9(11,9-2,8) 5.5 1.6 0.9 11.9 2.8
    HS5516-0.9(12.6-2) 5.5 1.6 0.9 12.6 2
    HS5516-0,9(13,8-2,8) 5.5 1.6 0.9 13.8 2.8
    HS5525-0,9(9,7-1,6) 5.5 2.5 0.9 9.7 1.6
    HS5525-0.9(16-5) 5.5 2.5 0.9 16 5
    HS5530-0,9(8,8-2,3) 5.5 3 0.9 8.8 2.3
    HS5530-0,9(9,6-2,3) 5.5 3 0.9 9.6 2.3
    HS5530-0,9(13,8-2,8) 5.5 3 0.9 13.8 2.8
    HS5530A 5.5 3 1.35 13.5 7.5
    HS5530B 5.5 3 1.35 13.8 7.8
    HS6016-1.0(8.5-1.5) 6 1.6 1 8.5 1.5
    HS6840-0.9(7-1.5) 6.8 4 0.9 7 1.5
    HS8330-1.3(13-5) 8.3 3 1.3 13 5
  • 50Ω ominaisimpedanssi - yksiytiminen litteä pää
    50Ω ominaisimpedanssi - yksiytiminen litteä pää
    Malli Koko (mm)
    A B C D E
    Ka2008-0,3(1,4-0,3) 2 0.8 0.3 1.4 0.3
    HS2008-0,3(1,65-0,35) 2 0.8 0.3 1.65 0.35
    Ka2008-0,3(1,8-0,3) 2 0.8 0.3 1.8 0.3
    HS2010-0,3(1,9-0,35) 2 1 0.3 1.9 0.35
    HS2010-0,3(2-0,5) 2 1 0.3 2 0.5
    HS2010-0,3(2,5-0,5) 2 1 0.3 2.5 0.5
    HS2013-0,3(2,4-0,4) 2 1.3 0.3 2.4 0.4
    HS2014-0,3(2,6-0,4) 2 1.4 0.3 2.6 0.4
    HS2014E 2 1.4 0.3 2.3 0.45
    HS2014F 2 1.4 0.3 2.35 0.5
    HS2016-0.3-01 2 1.6 0.3 3.1 1
    HS2016-0,3(3,3-0,7) 2 1.6 0.3 3.3 0.7
    HS2016-0.3-02 2 1.6 0.3 3.3 1
    HS2016-0,3(5,6-2) 2 1.6 0.3 5.6 2
    HS2019-0,3(3-0,35) 2 1.9 0.3 3 0.35
    HS2020-0.3-02 2 2 0.3 3.5 0.5
    HS2020-0,3(3,6-0,8) 2 2 0.3 3.6 0.8
    HS2030-0,3(4,2-0,7) 2 3 0.3 4.2 0.7
  • 50Ω ominaisimpedanssi, yksiytiminen pyöreä pää
    50Ω ominaisimpedanssi, yksiytiminen pyöreä pää
    Malli Koko (mm)
    A B C D E
    HS8740-1.38(8.4-3.2) 8.7 4 1.38 8.4 3.2
    HS9430-1.5(9-3) 9.4 3 1.5 9 3
    HS9430-1.5(11-4) 9.4 3 1.5 11 4
    HS9640-1.5(9.2-3.2) 9.6 4 1.5 9.2 3.2
    HS10050-1.7(15-5) 10 5 1.7 15 5
    HS130100-3(18-4) 13 10 3 18 4
  • 50Ω Ominainen impedanssi - yksiytiminen pyöreä kärki
    50Ω Ominainen impedanssi - yksiytiminen pyöreä kärki
    Malli Koko (mm)
    A B C D E
    HS2330-0,23(5,3-0,3) 2.3 3 0.23 5.3 0.3
    HS2815-0,3(5,2-1,2) 2.8 1.5 0.3 5.2 1.2
    HS2815-0,3(7,2-1,2) 2.8 1.5 0.3 7.2 1.2
    HS2635-0,3(7,1-1,3) 2.6 3.5 0.3 7.1 1.3
    HS3822-0,5(14,4-3,7) 3.8 2.2 0.5 14.4 3.7
    HS3525-0,5(11,5-6) 3.5 2.5 0.5 11.5 6
  • 50Ω ominaisimpedanssi - yksiytiminen litteä pää
    50Ω ominaisimpedanssi - yksiytiminen litteä pää
    Malli Koko (mm)
    A B C D E
    HS2516-0,38(5,1-2) 2.5 1.6 0.38 5.1 2
    HS2516-0,38(7,37-4,5) 2.5 1.6 0.38 7.37 4.5
    HS2517-0.38-01 2.5 1.7 0.38 2.7 0.65
    HS2520-0,38(3,2-0,5) 2.5 2 0.38 3.2 0.5
    HS2525-0.38-01 2.5 2.5 0.38 3.65 0.65
    HS2530-0,38(7,5-2,5) 2.5 3 0.38 7.5 2.5
    HS2816-0,45(4,9-1,8) 2.8 1.6 0.45 4.9 1.8
    HS2816-0.45-01 2.8 1.6 0.45 5 3
    HS2816-0,45(6-1,5) 2.8 1.6 0.45 6 1.5
    HS3030-0,5(7,5-2) 3 3 0.5 7.5 2
  • 50Ω ominaisimpedanssi - yksiytiminen litteä pyöreä kärki
    50Ω ominaisimpedanssi - yksiytiminen litteä pyöreä kärki
    Malli Koko (mm)
    A B C D E
    HS2006-0,3(3,1-1,8) 2 0.6 0.3 3.1 1.8
    HS2010-0,3(3,5-2) 2 1 0.3 3.5 2
    HS2020-0.3-01 2 2 0.3 3.7 0.6
    HS2035-0,3(6,4-1,8) 2 3.5 0.3 6.4 1.8
    HS2816-0,45(11,7-7,6) 2.8 1.6 0.45 11.7 7.6
    HS3020-0,5(10-6,5) 3 2 0.5 10 6.5
    HS3216-0,5(7,1-4) 3.2 1.6 0.5 7.1 4
    HS6448-1.0(10.2-3.5) 6.4 4.8 1 10.2 3.5
  • Ka2032-0,3(4,5-1,3)
    Ka2032-0,3(4,5-1,3)
    Malli
    Ka2032-0,3(4,5-1,3)
  • K2010-0,3(1,05-0,05)
    K2010-0,3(1,05-0,05)
    Malli
    K2010-0,3(1,05-0,05)
  • HS2510-0.3-02
    HS2510-0.3-02
    Malli
    HS2510-0.3-02
  • HS3520-0,5(3,4-0,3)
    HS3520-0,5(3,4-0,3)
    Malli
    HS3520-0,5(3,4-0,3)
  • Ka3216-0,5(5,85-1,5)
    Ka3216-0,5(5,85-1,5)
    Malli
    Ka3216-0,5(5,85-1,5)
  • K2515-0,38(2,9-0,3)
    K2515-0,38(2,9-0,3)
    Malli
    K2515-0,38(2,9-0,3)
  • 2-K482515-0,38(2,9-0,3)
    2-K482515-0,38(2,9-0,3)
    Malli
    2-K482515-0,38(2,9-0,3)
  • KW2016-0,3(0,7-1,6)
    KW2016-0,3(0,7-1,6)
    Malli
    KW2016-0,3(0,7-1,6)
  • KW2016-0,3(1-2,2)
    KW2016-0,3(1-2,2)
    Malli
    KW2016-0.3(1-2.2)
  • KW2025-0.3(1-2.2)
    KW2025-0.3(1-2.2)
    Malli
    KW2025-0.3(1-2.2)
  • JPW2040-0.3-01
    JPW2040-0.3-01
    Malli
    JPW2040-0.3-01
  • KW2018-0,3(0,95-2,1)
    KW2018-0,3(0,95-2,1)
    Malli
    KW2018-0,3(0,95-2,1)
  • Ei-50Ω ominaisimpedanssi - yksiytiminen pyöreä kärki
    Ei-50Ω ominaisimpedanssi - yksiytiminen pyöreä kärki
    Malli Koko (mm)
    A B C D E
    JD1515-0,4(5-1,5) 1.5 1.5 0.4 5 5
    JD1615-0,4(8-1,9) 1.6 1.5 0.4 8 8
    JD1616-0.4(30-14.2) 1.6 1.6 0.4 30 30
    JD1614-0.45(11.4-5) 1.6 1.4 0.45 11.4 11.4
    JD1616-0,45(4,65-1,05) 1.6 1.6 0.45 4.65 4.65
    JD1616-0.45(16-4) 1.6 1.6 0.45 16 16
    JD1616-0,45(30-14,2) 1.6 1.6 0.45 30 30
    JD2020-0,45(6,3-3) 2 2 0.45 6.3 6.3
    JD2020-0,45(10-4) 2 2 0.45 10 10
    JD1614-0.5(9-4) 1.6 1.4 0.5 9 9
    JD1616-0.5(30-14.2) 1.6 1.6 0.5 30 30
    JD1619-0.5(5.1-2) 1.6 1.9 0.5 5.1 5.1
    HS2015-0,5(7,5-3) 2 1.5 0.5 7.5 7.5
    JD2016-0.5(12-5.8)-R 2 1.6 0.5 12 12
    HS2018-0,5(9,5-1,5) 2 1.8 0.5 9.5 9.5
    HS2018-0,5(11,5-7,2) 2 1.8 0.5 11.5 11.5
    HS2030-0.5(10-2) 2 3 0.5 10 10
    JD1919-0.6(7.9-1.9)-R 1.9 1.9 0.6 7.9 7.9
  • Ei-50Ω ominaisimpedanssi - yksiytiminen pyöreä kärki
    Ei-50Ω ominaisimpedanssi - yksiytiminen pyöreä kärki
    Malli Koko (mm)
    A B C D E
    HS2040-0.6(6-1) 2 4 0.6 6 1
    JD1818-0.7(10-6) 1.8 1.8 0.7 10 6
    JD1818-0,7(22,2-0,4) 1.8 1.8 0.7 22.2 0.4
    HS2016-0,7(4,6-1,5) 2 1.6 0.7 4.6 1.5
    HS2016-0,7(6,3-1,5) 2 1.6 0.7 6.3 1.5
    HS2016-0,7(7,1-1,5)-R 2 1.6 0.7 7.1 1.5
    HS2016-0,7(7,6-1,5) 2 1.6 0.7 7.6 1.5
    HS2016-0,7(9,6-4) 2 1.6 0.7 9.6 4
    K2016-0,7(11-4,6) 2 1.6 0.7 11 4.6
    HS2016-0,7(11,6-5) 2 1.6 0.7 11.6 5
    HS2016-0,7(17-15,1) 2 1.6 0.7 17 15.1
    HS2016-0,7(20-0,3) 2 1.6 0.7 20 0.3
    HS2017-0,7(9,7-3) 2 1.7 0.7 9.7 3
    HS2035-0.7(13-3) 2 3.5 0.7 13 3
    HS2020-0,75(12-4) 2 2 0.75 12 4
    HS2015-0,8(6,5-3) 2 1.5 0.8 6.5 3
    JD2015-0,8(10,5-3) 2 1.5 0.8 10.5 3
    JD2063-0.5(10.3-2) 2 6.3 0.5 10.3 2
  • Ei-50Ω ominaisimpedanssi - yksiytiminen pyöreä kärki
    Ei-50Ω ominaisimpedanssi - yksiytiminen pyöreä kärki
    Malli Koko (mm)
    A B C D E
    JD2518-0.8(12.8-5) 2.5 1.8 0.8 12.8 5
    JD2520-0.8(14-4) 2.5 2 0.8 14 4
    JD2540-0.8(10-4) 2.5 4 0.8 10 4
    JD3218-0.8(51.8-20) 3.2 1.8 0.8 51.8 20
    JD2530-0,9(6,6-1,8) 2.5 3 0.9 6.6 1.8
    JD2540A 2.5 4 0.8 10 4
    JD2816-1(6.6-2) 2.8 1.6 1 6.6 2
    K2816-1.0(16-10) 2.8 1.6 1 16 10
    JD3218-1(27-15) 3.2 1.8 1 27 15
    JD3015-1.3(10.2-6.1) 3 1.5 1.3 10.2 6.1
    JD3015-1.3(10.5-3) 3 1.5 1.3 10.5 3
    JD3430-1.4(10.5-4.5) 3.4 3 1.4 10.5 4.5
    JD12940-1.7(10-3) 12.9 4 1.7 10 3
    JD3916-2(6.6-2) 3.9 1.6 2 6.6 2
  • Ei-50Ω ominaisimpedanssi, yksiytiminen litteä pää
    Ei-50Ω ominaisimpedanssi, yksiytiminen litteä pää
    Malli Koko (mm)
    A B C D E
    JD1510-0.3-01 1.5 1 0.3 5.5 1.5
    JD1315-0.35-01 1.3 1.5 0.35 3.5 0.3
    JD1515-0,4(4,5-0,5) 1.5 1.5 0.4 4.5 0.5
    JD1516-0.4-01 1.5 1.6 0.4 14.6 1
    JD1615-0,5(7-0,5) 1.6 1.5 0.5 7 0.5
    JD1619-0.5(8.7-3) 1.6 1.9 0.5 8.7 3
    JD1619-0,5(10,3-4,6) 1.6 1.9 0.5 10.3 4.6
    JD2016-0,5(4,5-0,6) 2 1.6 0.5 4.5 0.6
    JD2016-0,5(12-5,8) 2 1.6 0.5 12 5.8
    JD2020-0.5-01 2 2 0.5 5.2 0.5
    JD2044-0,5(6,3-0,4) 2 4.4 0.5 6.3 0.4
    JD1919-0,6(7,9-1,9) 1.9 1.9 0.6 7.9 1.9
    RF2010-0,7(6,0-3,0) 2 1 0.7 6 3
    JD2015-0,8(6,5-3) 2 1.5 0.8 6.5 3
    RF2016-0,8(6,6-4,5) 2 1.6 0.8 6.6 4.5
    JD2816-1(10.3-4.9) 2.8 1.6 1 10.3 4.9
  • Ei-50Ω ominaisimpedanssi - yksiytiminen litteä pyöreä kärki
    Ei-50Ω ominaisimpedanssi - yksiytiminen litteä pyöreä kärki
    Malli Koko (mm)
    A B C D E
    RF1515-0,38(2,9-0,3) 1.5 1.5 0.38 2.9 0.3
    JD1614-0,5(17,9-0,5) 1.6 1.4 0.5 17.9 0.5
    JD1615-0,5(9-2,5) 1.6 1.5 0.5 9 2.5
    JD2016-0,7(8,1-4,5) 2 1.6 0.7 8.4 4.5
    JD2040-0,6(10-4,5) 2 4 0.6 10 4.5
    JD2016-0,7(9,1-2,5) 2 1.6 0.7 9.1 2.5
    JD2035-0.7(22-3) 2 3.5 0.7 22 3
  • Ei-50Ω ominaisimpedanssi - Naulapäätyyppi
    Ei-50Ω ominaisimpedanssi - Naulapäätyyppi
    Malli Koko (mm)
    A B C D E F G
    JD1616-0,45(4,2-1,5) 1.4 1.5 4.2 0.45 1.6 0.8 0.3
    JD1614-0,45(6,2-0,8) 1.4 0.8 6.2 0.45 1.6 0.8 0.3
    JD1614-0,45(6,9-1,5) 1.4 1.5 6.9 0.45 1.6 0.8 0.2
    JD1620-0.45(7-1) 2 1 7 0.45 1.6 1 0.3
    JD1630-0,5(7,5-0,5) 3 0.5 7.5 0.5 1.6 0.6 0.2
    JD1630-0,5(10,5-0,5) 3 0.5 10.5 0.5 1.6 0.6 0.2
    JD1816-0,5(20-0,5) 1.6 0.5 20 0.5 1.8 0.7 0.3
    JD2020B 2 2 0.6 5.7 1
  • JP2016-0,7(7,1-1,5)
    JP2016-0,7(7,1-1,5)
    Malli
    JP2016-0,7(7,1-1,5)

    Malli Koko (mm)
    A B C D E F G
    JD1614-0.45(6.9-1.5)-R 1.4 1.5 6.9 0.45 1.6 0.8 0.2
    JD1630-0,5(7,5-0,5)-R 3 0.5 7.5 0.5 1.6 0.6 0.2
  • Ei-50Ω ominaisimpedanssi - Naulapäätyyppi
    Ei-50Ω ominaisimpedanssi - Naulapäätyyppi
    Malli Koko (mm)
    A B C D E F G
    JD1614-0.45(6.9-1.5)-R 1.4 1.5 6.9 0.45 1.6 0.8 0.2
    JD1630-0,5(7,5-0,5)-R 3 0.5 7.5 0.5 1.6 0.6 0.2
  • JD1516-0.4-02
    JD1516-0.4-02
    Malli
    JD1516-0.4-02
  • RF1816-0,8(6,6-4,5)-2
    RF1816-0,8(6,6-4,5)-2
    Malli
    RF1816-0.8(6.6-4.5)-2
  • 2-RF281515-0,38(2,9-0,3)
    2-RF281515-0,38(2,9-0,3)
    Malli
    2-RF281515-0,38(2,9-0,3)
  • 2-RF301516-0,5(5,85-1,5)
    2-RF301516-0,5(5,85-1,5)
    Malli
    2-RF301516-0,5(5,85-1,5)
  • JD301520-0.5-01
    JD301520-0.5-01
    Malli
    JD301520-0.5-01
  • JD301515-0.5-01
    JD301515-0.5-01
    Malli
    JD301515-0.5-01
  • JD201315-0.35-01
    JD201315-0.35-01
    Malli
    JD301515-0.5-01
  • JD271516-0.4-02
    JD271516-0.4-02
    Malli
    JD271516-0.4-02
  • JD271516-0.4-01
    JD271516-0.4-01
    Malli
    JD271516-0.4-01
  • JD2615-0.35-01
    JD2615-0.35-01
    Malli
    JD2615-0.35-01
  • 3-RF411515-0,38(2,9-0,3)
    3-RF411515-0,38(2,9-0,3)
    Malli
    3-RF411515-0,38(2,9-0,3)
  • 3-RF421516-0,5(5,85-1,5)
    3-RF421516-0,5(5,85-1,5)
    Malli
    3-RF421516-0,5(5,85-1,5)
  • JD261516-0.3-01
    JD261516-0.3-01
    Malli
    JD261516-0.3-01
  • JD391516-0.4-01
    JD391516-0.4-01
    Malli
    JD391516-0.4-01
  • JD2815-0.35-01
    JD2815-0.35-01
    Malli
    JD2815-0.35-01
  • RF3416-0,8(6,6-4,5)-4
    RF3416-0,8(6,6-4,5)-4
    Malli
    RF3416-0.8(6.6-4.5)-4
  • 4-RF3416-0,5(5,85-1,5)
    4-RF3416-0,5(5,85-1,5)
    Malli
    4-RF3416-0,5(5,85-1,5)
  • JD341315-0.35-01
    JD341315-0.35-01
    Malli
    JD341315-0,35-01
  • JD272716-0.4-01
    JD272716-0.4-01
    Malli
    JD272716-0.4-01
  • JD511516-0.4-01
    JD511516-0.4-01
    Malli
    JD511516-0.4-01
  • JD2016-0.3-01
    JD2016-0.3-01
    Malli
    JD2016-0.3-01
  • JD3115-0.35-01
    JD3115-0.35-01
    Malli
    JD3115-0,35-01
  • JD631516-0.4-01
    JD631516-0.4-01
    Malli
    JD631516-0.4-01
  • RF1816-0,8(6,6-4,5)-6
    RF1816-0,8(6,6-4,5)-6
    Malli
    RF1816-0.8(6.6-4.5)-6
  • 6-RF811515-0,5(0,5-8,2)
    6-RF811515-0,5(0,5-8,2)
    Malli
    6-RF811515-0,5(0,5-8,2)
  • 6-RF821515-0,5(5,5-2,5)
    6-RF821515-0,5(5,5-2,5)
    Malli
    6-RF821515-0,5(5,5-2,5)
  • JD501516-0.4-01
    JD501516-0.4-01
    Malli
    JD501516-0.4-01
  • JD811520-0,5-0,1
    JD811520-0,5-0,1
    Malli
    JD811520-0,5-0,1
  • 7-RF941515-0,5(5,5-2,5)
    7-RF941515-0,5(5,5-2,5)
    Malli
    7-RF941515-0,5(5,5-2,5)
  • JD1201515-0.5-01
    JD1201515-0.5-01
    Malli
    JD1201515-0.5-01
  • JMC-265-JH
    JMC-265-JH
    Malli
    JMC-265-JH
  • JD1201515-0.5-02
    JD1201515-0.5-02
    Malli
    JD1201515-0.5-02
  • RF1816-0,8(6,6-4,5)-9
    RF1816-0,8(6,6-4,5)-9
    Malli
    RF1816-0.8(6.6-4.5)-9
  • JYZ22-0.45-01
    JYZ22-0.45-01
    Malli
    JYZ22-0.45-01
  • Ei-50Ω ominaisimpedanssi - Moniytiminen
    Ei-50Ω ominaisimpedanssi - Moniytiminen
    Malli Koko (mm)
    A B C D E F G H läpiveto rivi Irtisanominen
    JD156018-0.3(27.2-0.8)-8 27.2 0.8 1.4 6 1.8 0.6 0.3 0 8 1 Sisäjohtimen yläpinnan liimaus
    JD151152-0.3(4.5-1.5)-9 4.5 1.5 1.5 11.5 2 1.27 0.3 0 9 1 Juottaminen
    2-JD162020-0,3(5-1,7)-4 A1 = 5
    A2 = 3,6
    B1 = 1,7
    B2=1
    1.6 2 2 0.57 0.3 0.57 4 2 Tasainen liimaus sisäjohtimien molemmilla puolilla
    2-JD162020-0,3(7,6-1,7)-4 A1 = 7,6
    A2 = 3,6
    B1 = 1,7
    B2=1
    1.6 2 2 0.57 0.3 0.56 4 2 Tasainen liimaus sisäjohtimen päiden molemmilla puolilla
    JD158215-0.38(7-0.8)-6 7 0.8 1.5 8.2 1.5 1.27 0.38 0 6 1 Ylempi kynnenpää kasvojen liimaus
    JD153015-0.38(8-1.9)-2 8 1.9 1.5 3 1.5 1.27 0.38 0 2 1 Hitsattu
    2-JD162525-0,38(10,6-3,5)-4 10.6 3.5 1.6 2.5 2.5 0.71 0.38 0.71 4 2 Juottaminen
    2-JD187425-0.38(3.8-1)-16 A1 = 3,8
    A2 = 5,2
    B1 = 1
    B2 = 1,7
    1.8 7.4 2.5
    4
    0.88 0.38 1.02 16 2 Sisäjohtimen päät on litistetty ja liimattu sivuttain
    JD1510516-0,45(7,5-2)-8 7.5 2 1.5 10.5 1.6 1.27 0.45 0 8 1 Juottaminen
    JD155515-0,5(5,7-1,7}-4 5.7 1.7 1.5 5.5 1.5 1.27 0.5 0 4 1 Sisäjohtimen yläpuolen litistetty liimaus
    JD1512015-0,5(5,8-2,5)-9 5.8 2.5 1.5 12 1.5 1.27 0.5 0 9 1 Alempi sisäjohdin litistetty sivuliitos
    JD153015-0.5(7-0.5)-2 7 0.5 1.5 3 1.5 1.27 0.5 0 2 1 Sisäjohtimen päiden kiinnitys
  • Ei-50Ω ominaisimpedanssi - Moniytiminen
    Ei-50Ω ominaisimpedanssi - Moniytiminen
    Malli Koko (mm)
    A B C D E F G H läpiveto rivi Irtisanominen
    JD153815-0.5(7.7-1.2)-2 7.7 1.2 1.5 3.8 1.5 2.1 0.5 0 2 1 Sisäjohtimen yläpuolen litistetty liimaus
    JD153015-0.5(13.5-4)-2 13.5 4 1.5 3 1.5 1.27 0.5 0 2 1 Hitsaus
    JD1613215-0.5(10.6-2)-10 10.6 2 1.6 13.2 1.5 1.27 0.5 0 10 1 Juottaminen
    JD302915-0.5(8-1)-2 8 1 3 2.9 1.5 1.27 0.5 0 2 1 Sisäjohtimen yläpinnan liimaus
    2-JD165528-0.5(7.6-1)-8 7.6 1 1.6 5.5 2.8 1.07 0.5 0 8 2 Sisäjohtimen yläpinnan liimaus
    2-JD154330-0.5(5.8-2)-5 Al = 5,8
    A2 = 5,1
    B1 = 2
    B2 = 1,3
    1.5 4.3 3 1.27 0.5 1.5 5 2 Juotos Yläpuolen litistys
    2-JD156830-0.5(5.8-2)-9 Al = 5,8
    A2 = 5,1
    B1 = 2
    B2 = 1,3
    1.5 6.8 n 1.27 0.5 1.5 6 2 Hitsaus Sisäjohtimen yläpuolen litistys
    2-JD1512030-0,5(9,3-2,8)-18 A1 = 9,3
    A2 = 8
    B1 = 2.8
    B2 = 1,5
    1.5 12 3 1.27 0.5 1.5 18 2 Hitsaus Flattening of inner conductor ends
    3-JD155545-0.5(9.5-4)-12 Al = 9,5
    A2 = 7,5
    A3 = 5,5
    B1 = 4
    B2=3
    B3 = 2
    1.5 5.5 4.5 1.27 0.5 1.5 12 3 Juottaminen
    2-JD207015-0.6(7-3)-10 A1 = 7
    A2 = 6
    B1 = 3
    B2=2
    2 7 1.5 1.27 0.6 1.5 10 2 Sisäjohdin litistetty ja liimattu molemmilta puolilta
    2-JD3012230-0,6(10,8-5)18 10.8 5 3 12.2 3 1.27 0.6 1.5 18 2 Alempi sisäjohtimen puoli litistetty liimaus
  • JYZ22-0.45-02
    JYZ22-0.45-02
    Malli
    JYZ22-0.45-02

PIDÄ YHTEYTTÄ

LÄHETÄ
Tietoja meistä
Ningbo Hanson Communication Technology Co., Ltd.
Ningbo Hanson Communication Technology Co., Ltd.
Ningbo Hanson Communication Technology Co., Ltd. is China RF-lasieriste Supplier and Custom RF-lasieriste Company. We are a manufacturer specializing in the production, processing, and trade of communication components, with more than 30 years of experience in RF coaxial connectors, adapters, and cable assemblies. Yritys on nyt kehittänyt oman koneistuspajan, galvanointipajan, kokoonpanotyöpajan sekä joukon vakaita ja luotettavia toimittajia. Yrityksen tarkoituksena on tarjota asiakkaille korkealaatuisia tuotteita. Päätuotteet ovat RF-koaksiaaliliittimiä, sovittimia, suurtaajuisia kaapelikokoonpanoja ja matalan keskinäismodulaation kaapelikokoonpanoja. Lisäksi yritys voi tarjota palveluita asiakkaille, joilla on räätälöityjä tarpeita vastaamaan asiakkaiden erityisvaatimuksia tuotteille. Yrityksen tuotteita käytetään laajasti ilmailu-, viestintätukiasemissa, lääketieteellisissä laitteissa ja muilla korkean teknologian aloilla. Yritysuudistuksen, innovaation, kehityksen ja kasvun aikana yhtiö teki aloitteen liittyä kansainväliseen ISO9001 laatujärjestelmään ja paransi jatkuvasti johtamistasoa tarjotakseen tyydyttävämpiä tuotteita ja palveluita uusille ja vanhoille asiakkaille.
Viimeisimmät uutiset
Etsitkö liiketoimintamahdollisuutta?

Pyydä soitto tänään